LEMON Manuals: Even more car manuals for everyone: 1960-2025
Home >> Toyota >> 2006 >> Sienna CE >> Repair and Diagnosis (Single Page) >> Electrical >> Body Electrical >> OEM System Circuits >> Engine Control >> Notes
April 5, 2026: LEMON Manuals is launched! Read the announcement.

Engine Control: Notes

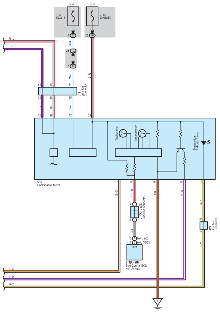
Fig 1: Engine Control System Wiring Diagram (1 Of 8)
G08795996Courtesy of © TOYOTA, LICENSE AGREEMENT TMS1002
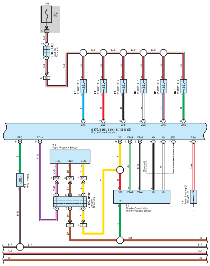
Fig 2: Engine Control System Wiring Diagram (2 Of 8)
G08795997Courtesy of © TOYOTA, LICENSE AGREEMENT TMS1002
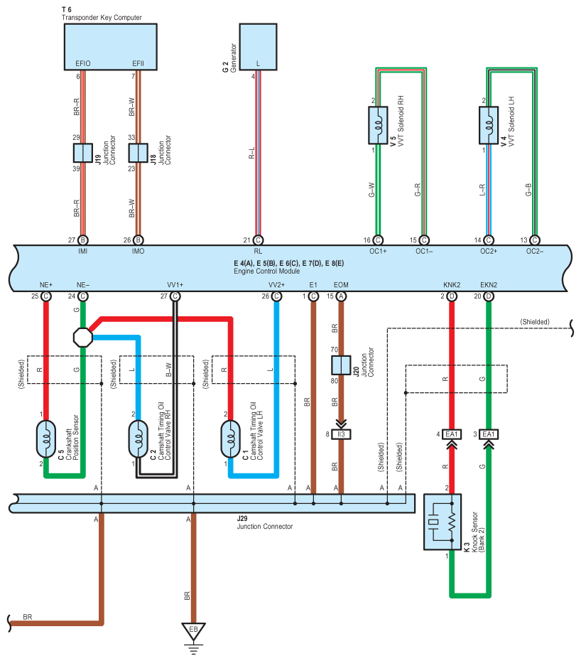
Fig 3: Engine Control System Wiring Diagram (3 Of 8)
G08795998Courtesy of © TOYOTA, LICENSE AGREEMENT TMS1002
Fig 4: Engine Control System Wiring Diagram (4 Of 8)
G08795999Courtesy of © TOYOTA, LICENSE AGREEMENT TMS1002
Fig 5: Engine Control System Wiring Diagram (5 Of 8)
G08796000Courtesy of © TOYOTA, LICENSE AGREEMENT TMS1002
Fig 6: Engine Control System Wiring Diagram (6 Of 8)
G08796001Courtesy of © TOYOTA, LICENSE AGREEMENT TMS1002
Fig 7: Engine Control System Wiring Diagram (7 Of 8)
G08796002Courtesy of © TOYOTA, LICENSE AGREEMENT TMS1002
Fig 8: Engine Control System Wiring Diagram (8 Of 8)
G08796003Courtesy of © TOYOTA, LICENSE AGREEMENT TMS1002