LEMON Manuals: Even more car manuals for everyone: 1960-2025
Home >> Toyota >> 2006 >> Sienna CE >> Repair and Diagnosis (Single Page) >> Electrical >> Body Electrical >> OEM System Circuits >> Remote Control Mirror without Memory >> Notes
April 5, 2026: LEMON Manuals is launched! Read the announcement.

Remote Control Mirror without Memory: Notes

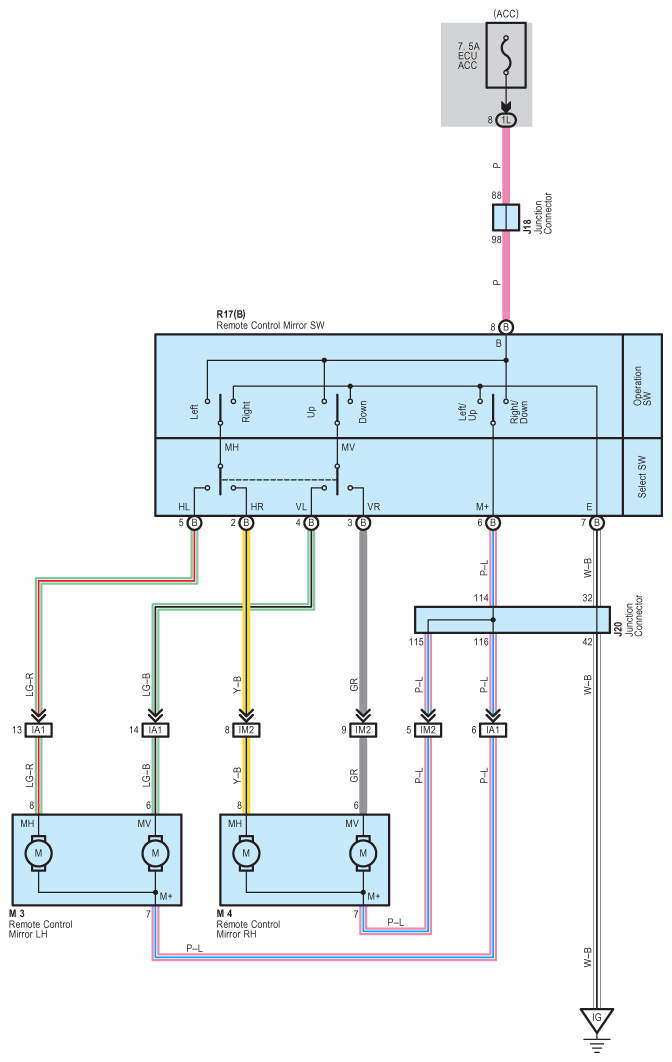
Fig 1: Remote Control Mirror System (Without Memory) Wiring Diagram
G08796132Courtesy of © TOYOTA, LICENSE AGREEMENT TMS1002