LEMON Manuals: Even more car manuals for everyone: 1960-2025
Home >> Toyota >> 2006 >> Sienna CE >> Repair and Diagnosis >> Engine Performance >> Engine Control System (3MZ-FE) >> SFI System >> Fuel Pump Control Circuit >> Description
April 5, 2026: LEMON Manuals is launched! Read the announcement.

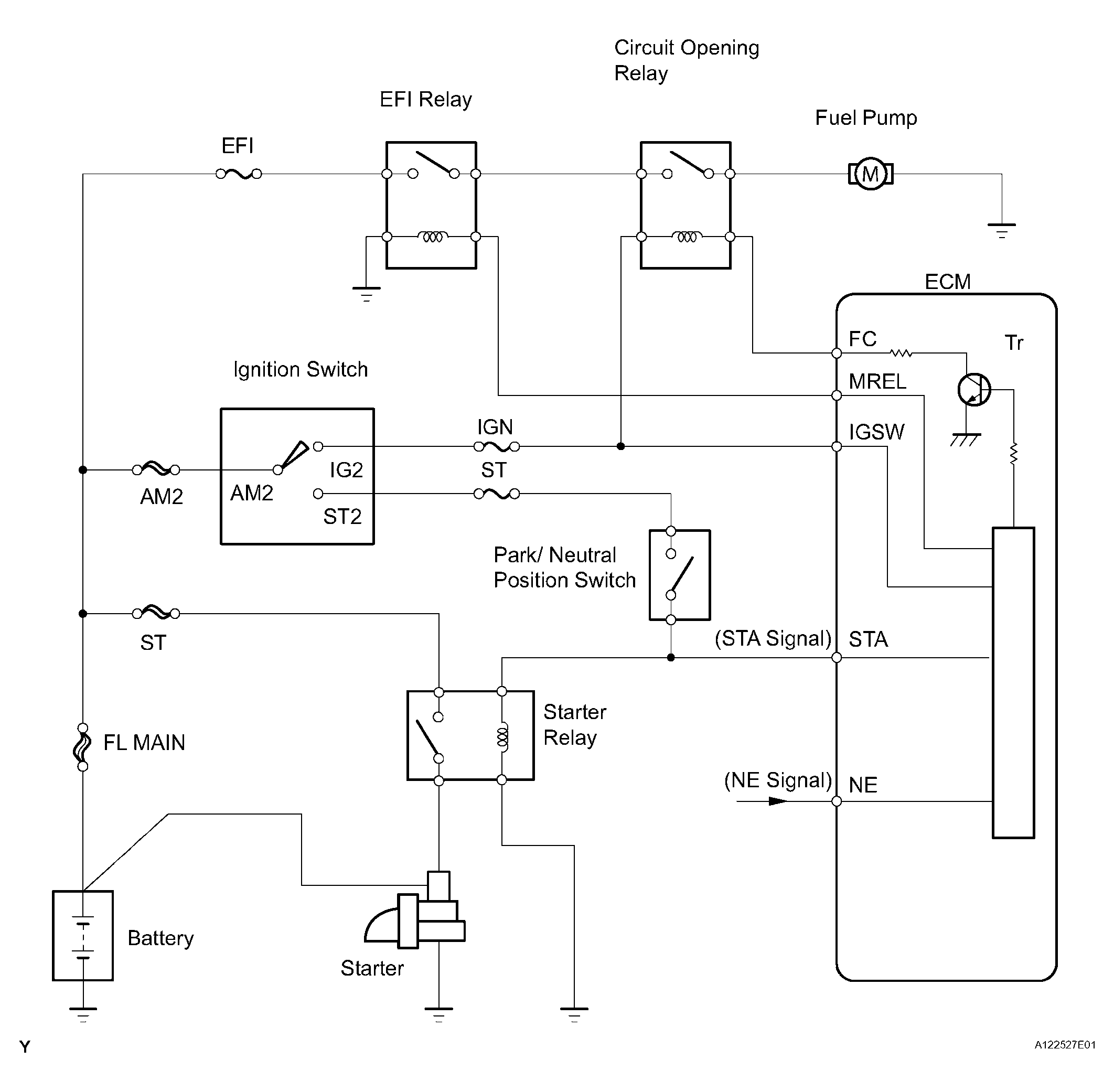
Fuel Pump Control Circuit: Description

When the engine is cranked, current flows from the ignition switch terminal ST2 to the starter relay coil (marking: ST), and current flows to terminal STA of ECM (STA signal).

When the STA signal and NE signal are input to the ECM, Tr is turned ON, current flows to coil of the circuit opening relay (marking: C/OPN), the relay switches ON, power is supplied to the fuel pump and the fuel pump operates.

While the NE signal is generated and the engine is running, the ECM keeps Tr ON (C/OPN relay ON) and the fuel pump also keeps operating.

Fig 1: Circuit Opening Relay Description
G04493805Courtesy of © TOYOTA, LICENSE AGREEMENT TMS1002