LEMON Manuals: Even more car manuals for everyone: 1960-2025
Home >> Toyota >> 2006 >> Sienna LE, AWD >> Repair and Diagnosis (Single Page) >> Electrical >> Body Electrical >> OEM System Circuits >> Navigation, Rear View Monitor and Audio System >> Notes
April 5, 2026: LEMON Manuals is launched! Read the announcement.

Navigation, Rear View Monitor and Audio System: Notes

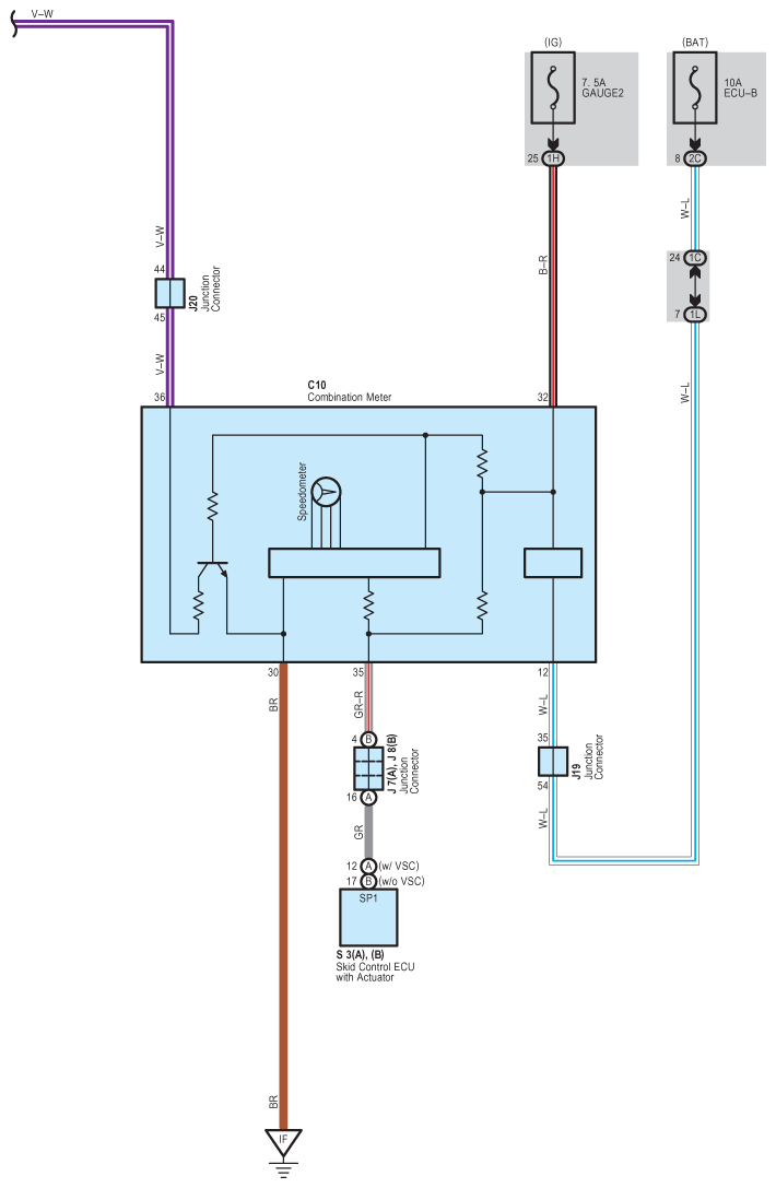
Fig 1: Navigation, Rear View Monitor And Audio System Wiring Diagram (1 Of 7)
G08796154Courtesy of © TOYOTA, LICENSE AGREEMENT TMS1002
Fig 2: Navigation, Rear View Monitor And Audio System Wiring Diagram (2 Of 7)
G08796155Courtesy of © TOYOTA, LICENSE AGREEMENT TMS1002
Fig 3: Navigation, Rear View Monitor And Audio System Wiring Diagram (3 Of 7)
G08796156Courtesy of © TOYOTA, LICENSE AGREEMENT TMS1002
Fig 4: Navigation, Rear View Monitor And Audio System Wiring Diagram (4 Of 7)
G08796157Courtesy of © TOYOTA, LICENSE AGREEMENT TMS1002
Fig 5: Navigation, Rear View Monitor And Audio System Wiring Diagram (5 Of 7)
G08796158Courtesy of © TOYOTA, LICENSE AGREEMENT TMS1002
Fig 6: Navigation, Rear View Monitor And Audio System Wiring Diagram (6 Of 7)
G08796159Courtesy of © TOYOTA, LICENSE AGREEMENT TMS1002
Fig 7: Navigation, Rear View Monitor And Audio System Wiring Diagram (7 Of 7)
G08796160Courtesy of © TOYOTA, LICENSE AGREEMENT TMS1002