LEMON Manuals: Even more car manuals for everyone: 1960-2025
Home >> Toyota >> 2007 >> Avalon Limited >> Repair and Diagnosis >> Electrical >> Starter >> Starting System >> Starting System >> System Diagram
April 5, 2026: LEMON Manuals is launched! Read the announcement.

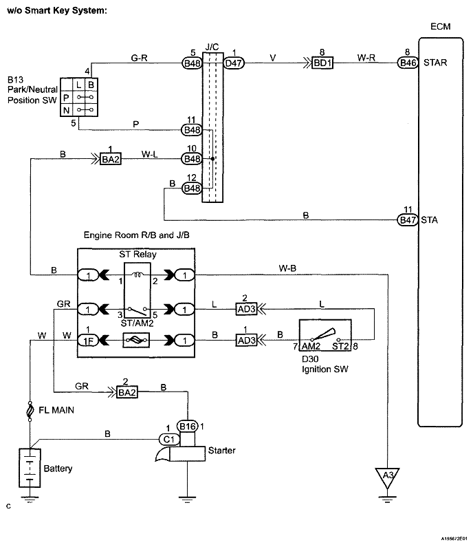
System Diagram

Fig 1: Starting System Diagram (1 Of 2)
G05000315Courtesy of © TOYOTA, LICENSE AGREEMENT TMS1002
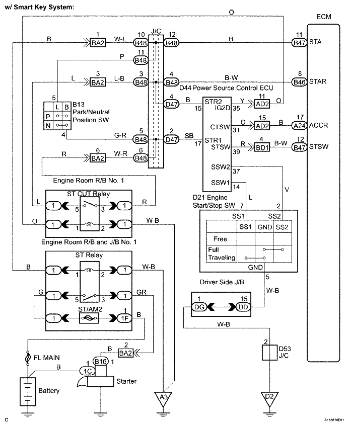
Fig 2: Starting System Diagram (2 Of 2)
G05000316Courtesy of © TOYOTA, LICENSE AGREEMENT TMS1002