LEMON Manuals: Even more car manuals for everyone: 1960-2025
Home >> Toyota >> 2007 >> Avalon XLS >> Repair and Diagnosis (Single Page) >> Electrical >> Body Electrical >> OEM System Circuits >> Key Reminder without Smart Key System >> Notes
April 5, 2026: LEMON Manuals is launched! Read the announcement.

Key Reminder without Smart Key System: Notes

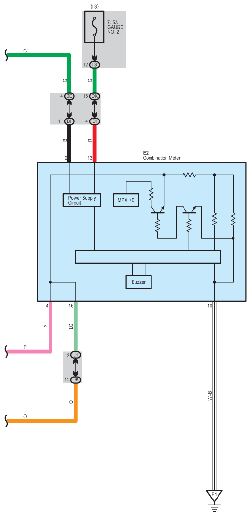
Fig 1: Key Reminder System (Without Smart Key) Wiring Diagram (1 Of 2)
G08780764Courtesy of © TOYOTA, LICENSE AGREEMENT TMS1002
Fig 2: Key Reminder System (Without Smart Key) Wiring Diagram (2 Of 2)
G08780765Courtesy of © TOYOTA, LICENSE AGREEMENT TMS1002