LEMON Manuals: Even more car manuals for everyone: 1960-2025
Home >> Toyota >> 2007 >> Avalon XLS >> Repair and Diagnosis (Single Page) >> Engine Performance >> Ignition System >> Engine Ignition System >> Ignition System >> System Diagram
April 5, 2026: LEMON Manuals is launched! Read the announcement.

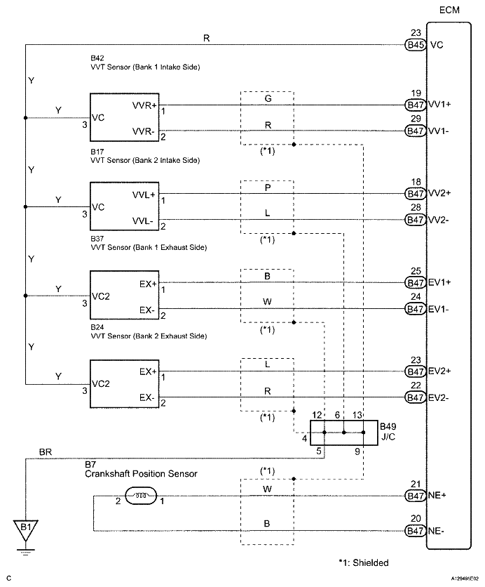
System Diagram

Fig 1: Ignition System Diagram (1 Of 2)
G05000302Courtesy of © TOYOTA, LICENSE AGREEMENT TMS1002
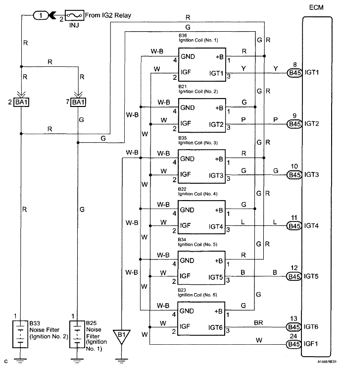
Fig 2: Ignition System Diagram (2 Of 2)
G05000303Courtesy of © TOYOTA, LICENSE AGREEMENT TMS1002