LEMON Manuals: Even more car manuals for everyone: 1960-2025
Home >> Toyota >> 2007 >> Avalon XLS >> Repair and Diagnosis >> Electrical >> Body Electrical >> OEM System Circuits >> Headlight >> Notes
April 5, 2026: LEMON Manuals is launched! Read the announcement.

OEM System Circuits: Headlight: Notes

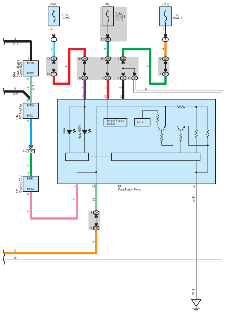
Fig 1: Headlight System Wiring Diagram (1 Of 4)
G08780722Courtesy of © TOYOTA, LICENSE AGREEMENT TMS1002
Fig 2: Headlight System Wiring Diagram (2 Of 4)
G08780723Courtesy of © TOYOTA, LICENSE AGREEMENT TMS1002
Fig 3: Headlight System Wiring Diagram (3 Of 4)
G08780724Courtesy of © TOYOTA, LICENSE AGREEMENT TMS1002
Fig 4: Headlight System Wiring Diagram (4 Of 4)
G08780725Courtesy of © TOYOTA, LICENSE AGREEMENT TMS1002