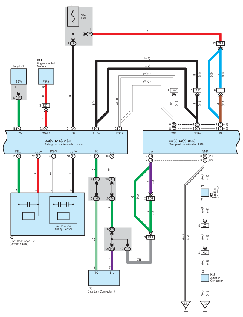
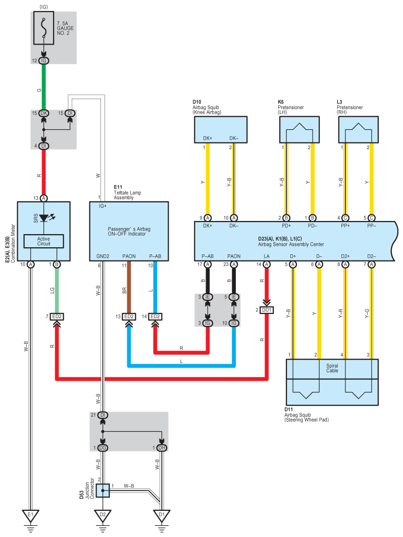
OEM System Circuits: SRS: Notes
NOTE:
When inspecting or repairing the SRS, perform service in accordance with the following precautionary instructions and the procedure, and precautions in the Repair Information applicable for the model year.
- Malfunction symptoms of the SRS are difficult to confirm, so the DTCs become the most important source of information when troubleshooting. When troubleshooting the SRS, always inspect the DTCs before disconnecting the battery.
- Work must be started more than 90 seconds after the ignition SW is turned to the "LOCK" position (Ignition SW type) or the power SW is pushed to the "OFF" position (Power SW type) and the negative (-) terminal cable is disconnected from the battery.
(The SRS is equipped with a back-up power source so that if work is started within 90 seconds from disconnecting the negative (-) terminal cable of the battery, the SRS may deploy.)
- When the negative (-) terminal cable is disconnected from the battery, the memory of the clock and audio system will be cleared. So before starting work, make a record of the contents in the audio memory system. When work is finished, reset the audio systems as they were before and adjust the clock. Some vehicles have power tilt steering, power telescopic steering, power seat and power outside rear view mirror which are all equipped with memory function. However, it is not possible to make a record of these memory contents. So when the work is finished, it will be necessary to explain it to your customer, and ask the customer to adjust the features and reset the memory. To avoid erasing the memory in each system, never use a back-up power supply from outside the vehicle.
- Before repair, remove the airbag sensor if shocks are likely to be applied to the sensor during repair.
- Do not expose the following parts directly to hot air or flame;
- Even in cases of a minor collision where the SRS does not deploy, the following parts should be inspected;
- Never use SRS parts from another vehicle. When replacing parts, replace with new parts.
- For the purpose of reuse, never disassemble and repair the following parts.
- If the following parts have been dropped, or have cracks, dents and other defects in their case, bracket, and connector, replace with new one.
- Use a volt/ohmmeter with high impedance (10 kΩ/V minimum) for troubleshooting electrical circuits of the system.
- Information labels are attached to the periphery of the SRS components. Follow the instructions of the notice.
- After work on the SRS is completed, check the SRS warning light.
- If the vehicle is equipped with a mobile communication system, refer to the precaution in the IN section of the Repair Information.