LEMON Manuals: Even more car manuals for everyone: 1960-2025
Home >> Toyota >> 2007 >> Avalon XLS >> Repair and Diagnosis >> Electrical >> Starter >> Starting System >> Smart Key System >> Engine Switch Indicator Circuit >> Wiring Diagram
April 5, 2026: LEMON Manuals is launched! Read the announcement.

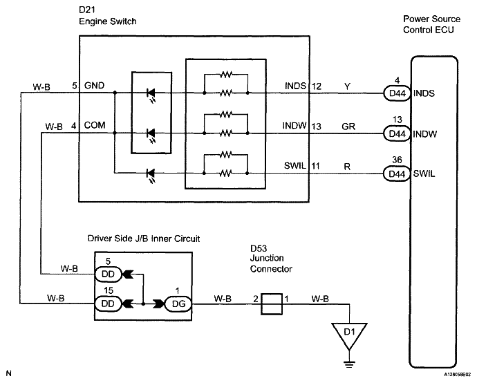
Engine Switch Indicator Circuit: Wiring Diagram

Fig 1: Engine Switch Indicator - Wiring Diagram
G05000379Courtesy of © TOYOTA, LICENSE AGREEMENT TMS1002