LEMON Manuals: Even more car manuals for everyone: 1960-2025
Home >> Toyota >> 2007 >> Avalon XLS >> Repair and Diagnosis >> Engine Mechanical >> Mechanical >> Intake >> Intake Air Control System >> System Diagram
April 5, 2026: LEMON Manuals is launched! Read the announcement.

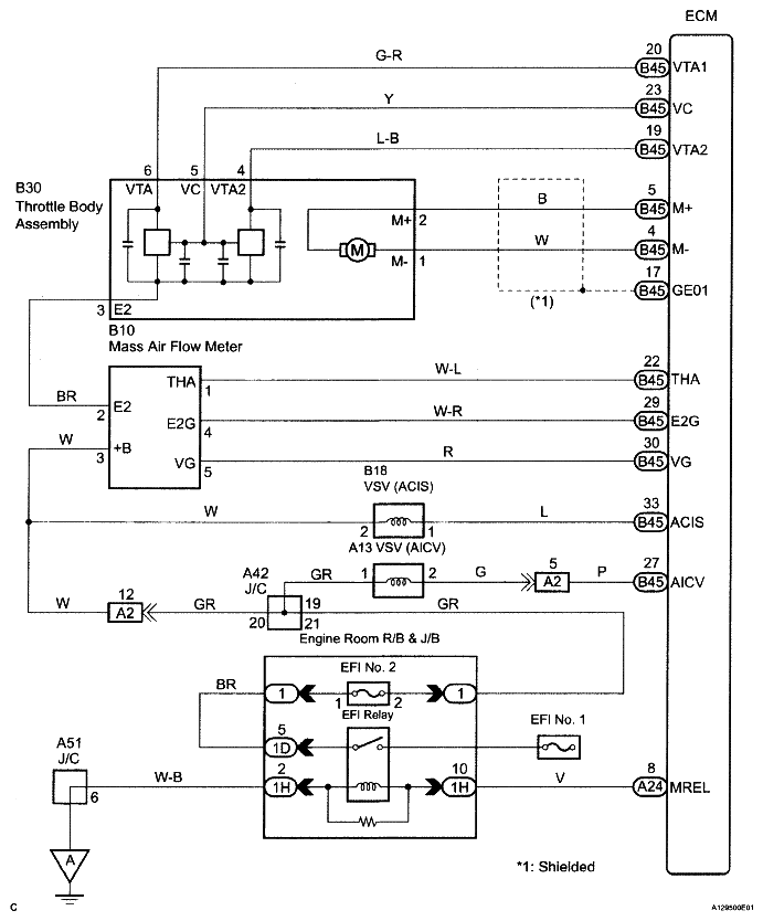
System Diagram

Fig 1: Intake Air Control System Diagram
G04975203Courtesy of © TOYOTA, LICENSE AGREEMENT TMS1002