LEMON Manuals: Even more car manuals for everyone: 1960-2025
Home >> Toyota >> 2007 >> Avalon XLS >> Repair and Diagnosis >> Engine Performance >> System >> Engine Control System - System And Circuit Testing, On-Vehicle Inspection, Removal, Inspection And Installation >> ECM Power Source Circuit >> Wiring Diagram
April 5, 2026: LEMON Manuals is launched! Read the announcement.

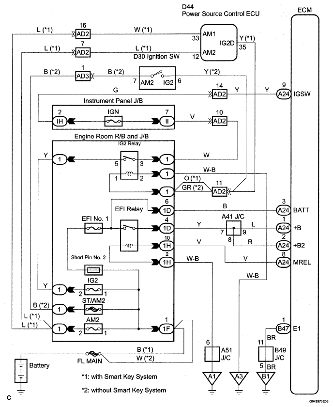
ECM Power Source Circuit: Wiring Diagram

Fig 1: Power Source Control ECU - Wiring Diagram
G04996495Courtesy of TOYOTA MOTOR SALES, U.S.A., INC.