LEMON Manuals: Even more car manuals for everyone: 1960-2025
Home >> Toyota >> 2007 >> Camry CE, Automatic >> Repair and Diagnosis >> External Pages >> Different variant/trim >> Section 64 (P311 Hybrid Vehicle Control - Control System Diagnostic & Troubleshooting Introduction, Precautions, Parts Location, System Description, Terminals Of Ecu, Diagnostic Trouble Code Chart) >> Hybrid Control System >> System Diagram
April 5, 2026: LEMON Manuals is launched! Read the announcement.

System Diagram

WARNING: This page is about a different variant/trim than selected.
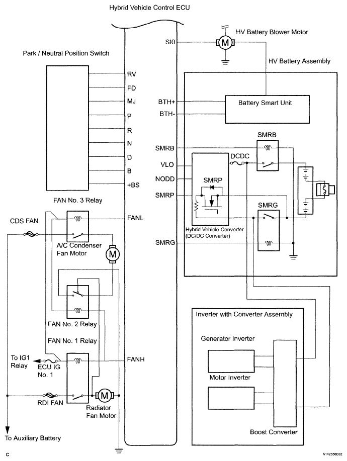
Fig 1: Hybrid Control System Diagram (1 Of 4)
G05009372Courtesy of © TOYOTA, LICENSE AGREEMENT TMS1002
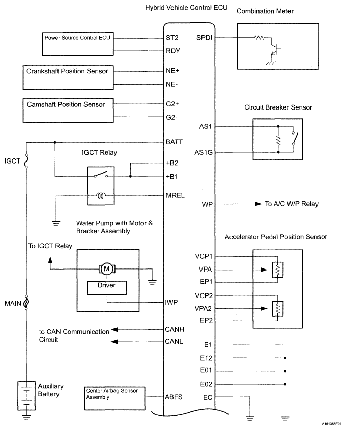
Fig 2: Hybrid Control System Diagram (2 Of 4)
G05009373Courtesy of © TOYOTA, LICENSE AGREEMENT TMS1002
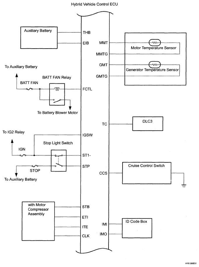
Fig 3: Hybrid Control System Diagram (3 Of 4)
G05009374Courtesy of © TOYOTA, LICENSE AGREEMENT TMS1002
Fig 4: Hybrid Control System Diagram (4 Of 4)
G05009375Courtesy of © TOYOTA, LICENSE AGREEMENT TMS1002