LEMON Manuals: Even more car manuals for everyone: 1960-2025
Home >> Toyota >> 2007 >> FJ Cruiser 4WD, Part Time >> Repair and Diagnosis (Single Page) >> Electrical >> Body Electrical >> OEM System Circuits >> Light Auto Turn Off System >> Notes
April 5, 2026: LEMON Manuals is launched! Read the announcement.

Light Auto Turn Off System: Notes

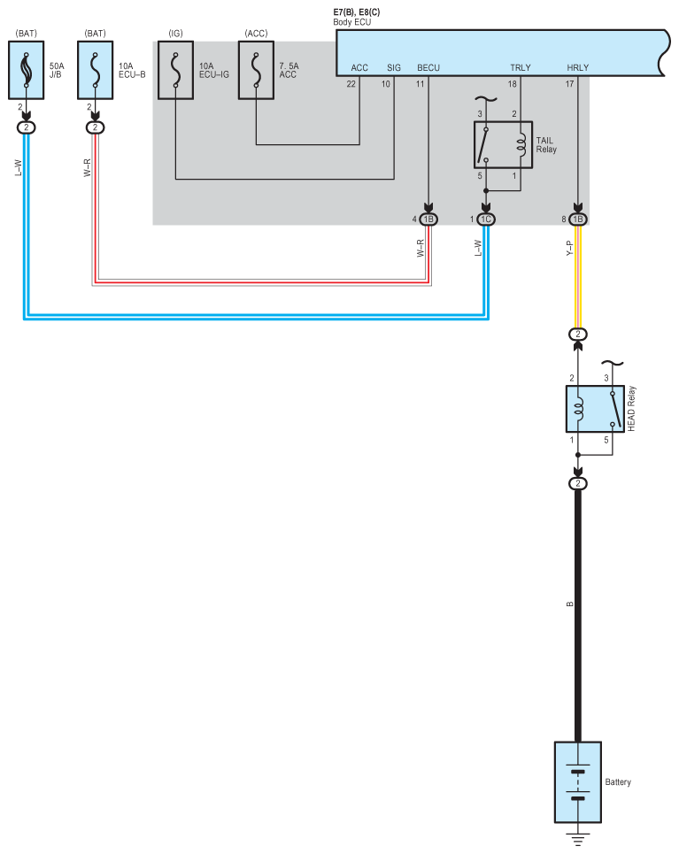
Fig 1: Light Auto Turn Off System Wiring Diagram (1 Of 3)
G08781822Courtesy of © TOYOTA, LICENSE AGREEMENT TMS1002
Fig 2: Light Auto Turn Off System Wiring Diagram (2 Of 3)
G08781823Courtesy of © TOYOTA, LICENSE AGREEMENT TMS1002
Fig 3: Light Auto Turn Off System Wiring Diagram (3 Of 3)
G08781824Courtesy of © TOYOTA, LICENSE AGREEMENT TMS1002