LEMON Manuals: Even more car manuals for everyone: 1960-2025
Home >> Toyota >> 2007 >> FJ Cruiser 4WD, Part Time >> Repair and Diagnosis (Single Page) >> Restraints >> Air Bag, SRS >> Supplemental Restraint System >> Occupant Classification System >> DTC B1794: Open in Occupant Classification ECU Battery Positive Line >> Wiring Diagram
April 5, 2026: LEMON Manuals is launched! Read the announcement.

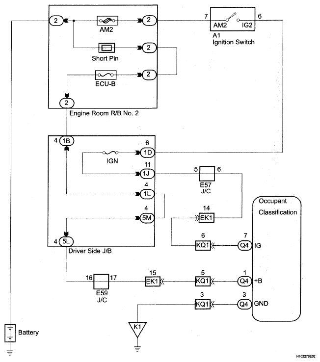
DTC B1794: Open in Occupant Classification ECU Battery Positive Line: Wiring Diagram

Fig 1: Identifying Open In Occupant Classification ECU Battery Positive Line Wiring Diagram
G05113214Courtesy of © TOYOTA, LICENSE AGREEMENT TMS1002