LEMON Manuals: Even more car manuals for everyone: 1960-2025
Home >> Toyota >> 2007 >> FJ Cruiser 4WD, Part Time >> Repair and Diagnosis >> Electrical >> Body Electrical >> OEM System Circuits >> Rear Differential Lock >> Notes
April 5, 2026: LEMON Manuals is launched! Read the announcement.

Rear Differential Lock: Notes

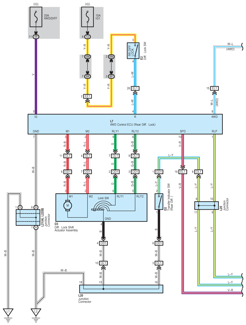
Fig 1: Rear Differential Lock System Wiring Diagram (1 Of 2)
G08781889Courtesy of © TOYOTA, LICENSE AGREEMENT TMS1002
Fig 2: Rear Differential Lock System Wiring Diagram (2 Of 2)
G08781890Courtesy of © TOYOTA, LICENSE AGREEMENT TMS1002