LEMON Manuals: Even more car manuals for everyone: 1960-2025
Home >> Toyota >> 2007 >> FJ Cruiser 4WD, Part Time >> Repair and Diagnosis >> Electrical >> Body Electrical >> OEM System Circuits >> Starting >> Notes
April 5, 2026: LEMON Manuals is launched! Read the announcement.

OEM System Circuits: Starting: Notes

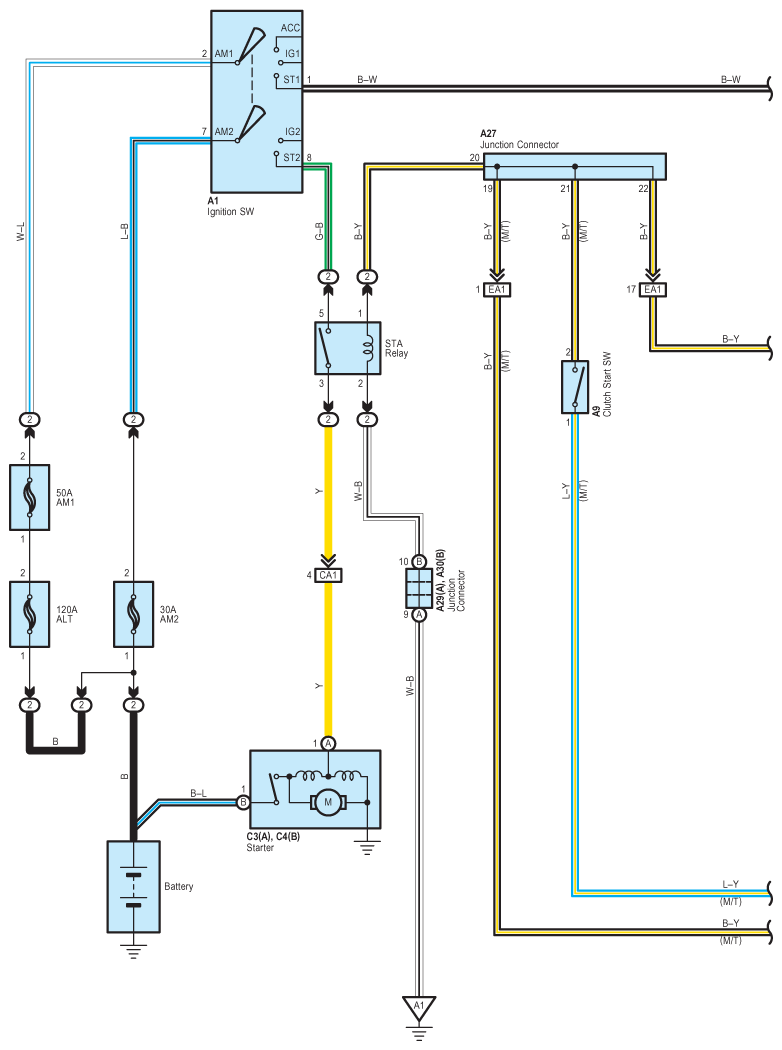
Fig 1: Starting System Wiring Diagram (1 Of 2)
G08781798Courtesy of © TOYOTA, LICENSE AGREEMENT TMS1002
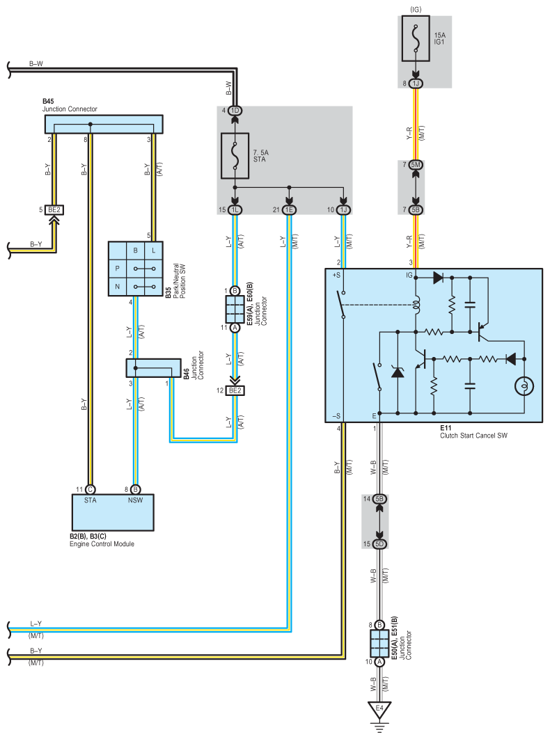
Fig 2: Starting System Wiring Diagram (2 Of 2)
G08781799Courtesy of © TOYOTA, LICENSE AGREEMENT TMS1002