LEMON Manuals: Even more car manuals for everyone: 1960-2025
Home >> Toyota >> 2007 >> FJ Cruiser RWD >> Repair and Diagnosis >> Engine Performance >> Engine Control System >> SFI System >> System Diagram
April 5, 2026: LEMON Manuals is launched! Read the announcement.

System Diagram

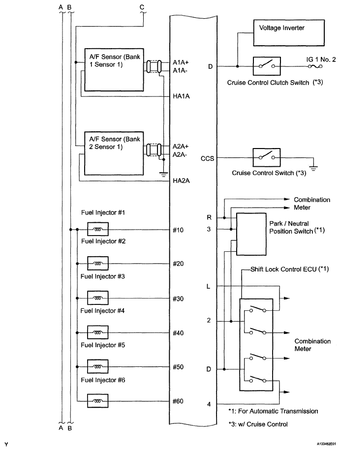
Fig 1: Identifying Engine Control System Diagram (1 Of 5)
G05108566Courtesy of © TOYOTA, LICENSE AGREEMENT TMS1002
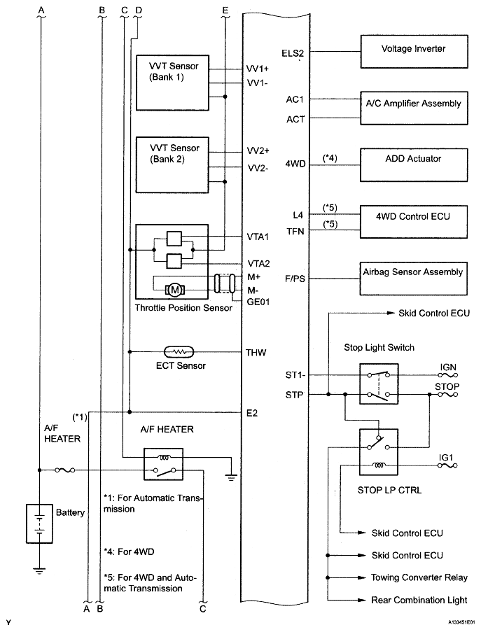
Fig 2: Identifying Engine Control System Diagram (2 Of 5)
G05108567Courtesy of © TOYOTA, LICENSE AGREEMENT TMS1002
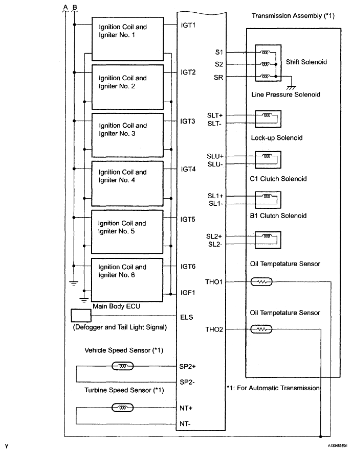
Fig 3: Identifying Engine Control System Diagram (3 Of 5)
G05108568Courtesy of © TOYOTA, LICENSE AGREEMENT TMS1002
Fig 4: Identifying Engine Control System Diagram (4 Of 5)
G05108569Courtesy of © TOYOTA, LICENSE AGREEMENT TMS1002
Fig 5: Identifying Engine Control System Diagram (5 Of 5)
G05108570Courtesy of © TOYOTA, LICENSE AGREEMENT TMS1002