LEMON Manuals: Even more car manuals for everyone: 1960-2025
Home >> Toyota >> 2007 >> Land Cruiser >> Repair and Diagnosis (Single Page) >> Electrical >> Body Electrical >> OEM System Circuits >> Audio System with Navigation System >> Notes
April 5, 2026: LEMON Manuals is launched! Read the announcement.

Audio System with Navigation System: Notes

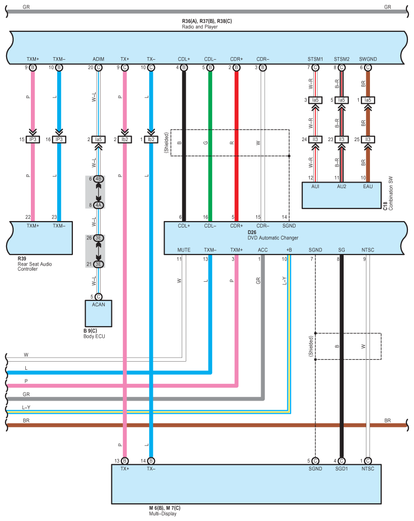
Fig 1: Audio System (With Navigation System) Wiring Diagram (1 Of 4)
G08783475Courtesy of © TOYOTA, LICENSE AGREEMENT TMS1002
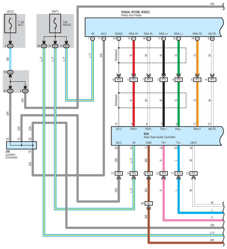
Fig 2: Audio System (With Navigation System) Wiring Diagram (2 Of 4)
G08783476Courtesy of © TOYOTA, LICENSE AGREEMENT TMS1002
Fig 3: Audio System (With Navigation System) Wiring Diagram (3 Of 4)
G08783477Courtesy of © TOYOTA, LICENSE AGREEMENT TMS1002
Fig 4: Audio System (With Navigation System) Wiring Diagram (4 Of 4)
G08783478Courtesy of © TOYOTA, LICENSE AGREEMENT TMS1002