LEMON Manuals: Even more car manuals for everyone: 1960-2025
Home >> Toyota >> 2007 >> Land Cruiser >> Repair and Diagnosis >> Electrical >> Body Electrical >> OEM System Circuits >> Air Conditioning (Front) >> Notes
April 5, 2026: LEMON Manuals is launched! Read the announcement.

Air Conditioning (Front): Notes

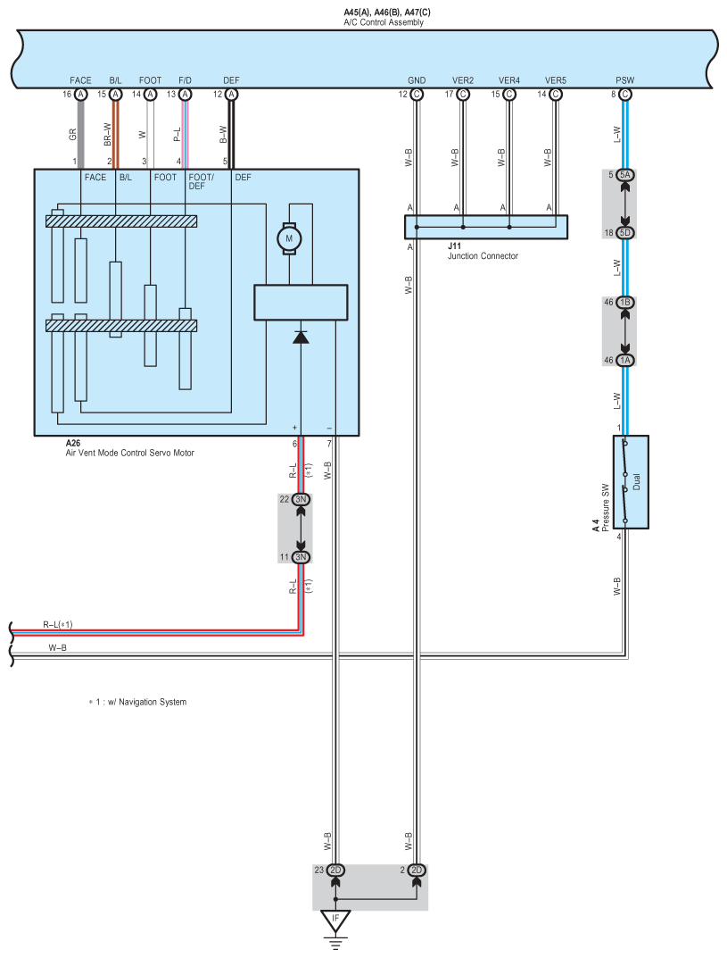
Fig 1: Front Air Conditioning System Wiring Diagram (1 Of 6)
G08783498Courtesy of © TOYOTA, LICENSE AGREEMENT TMS1002
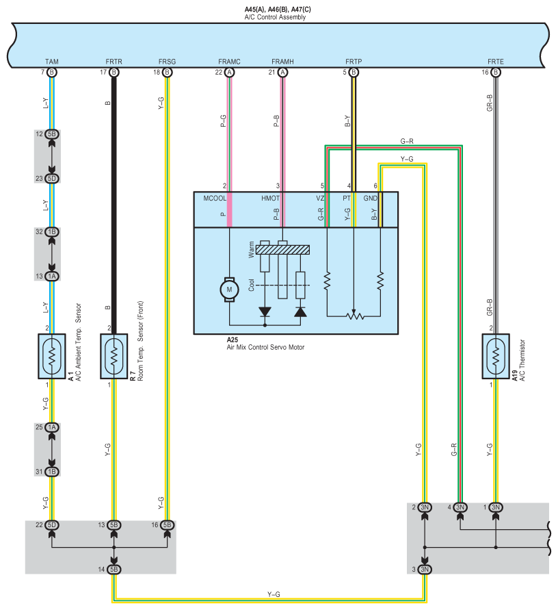
Fig 2: Front Air Conditioning System Wiring Diagram (2 Of 6)
G08783499Courtesy of © TOYOTA, LICENSE AGREEMENT TMS1002
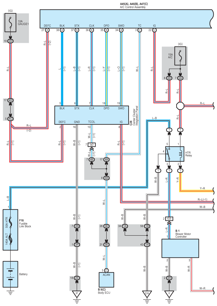
Fig 3: Front Air Conditioning System Wiring Diagram (3 Of 6)
G08783500Courtesy of © TOYOTA, LICENSE AGREEMENT TMS1002
Fig 4: Front Air Conditioning System Wiring Diagram (4 Of 6)
G08783501Courtesy of © TOYOTA, LICENSE AGREEMENT TMS1002
Fig 5: Front Air Conditioning System Wiring Diagram (5 Of 6)
G08783502Courtesy of © TOYOTA, LICENSE AGREEMENT TMS1002
Fig 6: Front Air Conditioning System Wiring Diagram (6 Of 6)
G08783503Courtesy of © TOYOTA, LICENSE AGREEMENT TMS1002