LEMON Manuals: Even more car manuals for everyone: 1960-2025
Home >> Toyota >> 2007 >> Land Cruiser >> Repair and Diagnosis >> Electrical >> Body Electrical >> OEM System Circuits >> Center Differential Lock >> Notes
April 5, 2026: LEMON Manuals is launched! Read the announcement.

Center Differential Lock: Notes

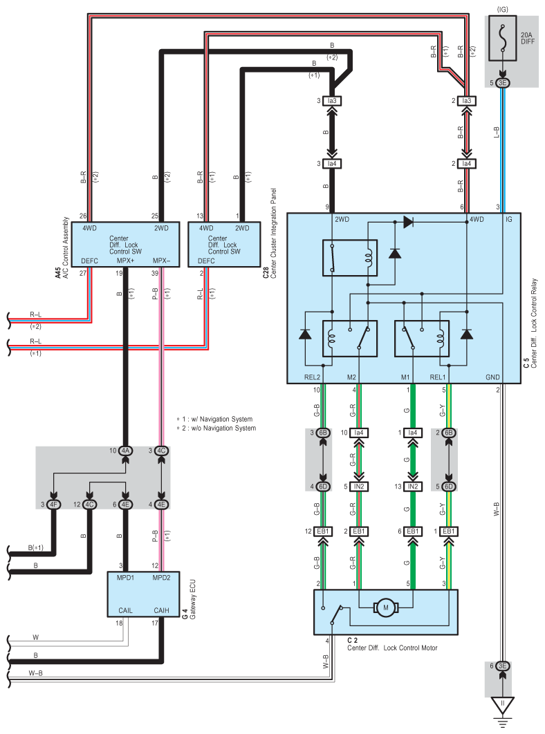
Fig 1: Center Differential Lock System Wiring Diagram (1 Of 3)
G08783427Courtesy of © TOYOTA, LICENSE AGREEMENT TMS1002
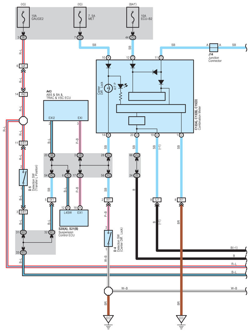
Fig 2: Center Differential Lock System Wiring Diagram (2 Of 3)
G08783428Courtesy of © TOYOTA, LICENSE AGREEMENT TMS1002
Fig 3: Center Differential Lock System Wiring Diagram (3 Of 3)
G08783429Courtesy of © TOYOTA, LICENSE AGREEMENT TMS1002