LEMON Manuals: Even more car manuals for everyone: 1960-2025
Home >> Toyota >> 2007 >> Land Cruiser >> Repair and Diagnosis >> Electrical >> Body Electrical >> OEM System Circuits >> Front Fog Light >> Notes
April 5, 2026: LEMON Manuals is launched! Read the announcement.

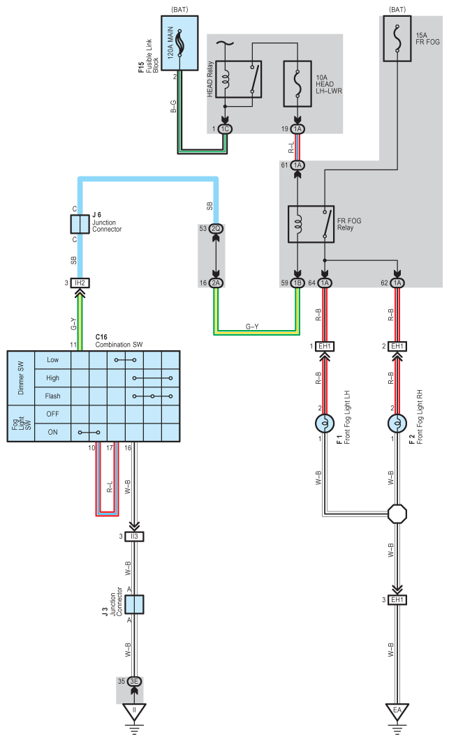
Front Fog Light: Notes

Fig 1: Front Fog Light System Wiring Diagram
G08783347Courtesy of © TOYOTA, LICENSE AGREEMENT TMS1002