LEMON Manuals: Even more car manuals for everyone: 1960-2025
Home >> Toyota >> 2007 >> Land Cruiser >> Repair and Diagnosis >> Electrical >> Body Electrical >> OEM System Circuits >> Multiplex Communication System - BEAN >> Notes
April 5, 2026: LEMON Manuals is launched! Read the announcement.

Multiplex Communication System - BEAN: Notes

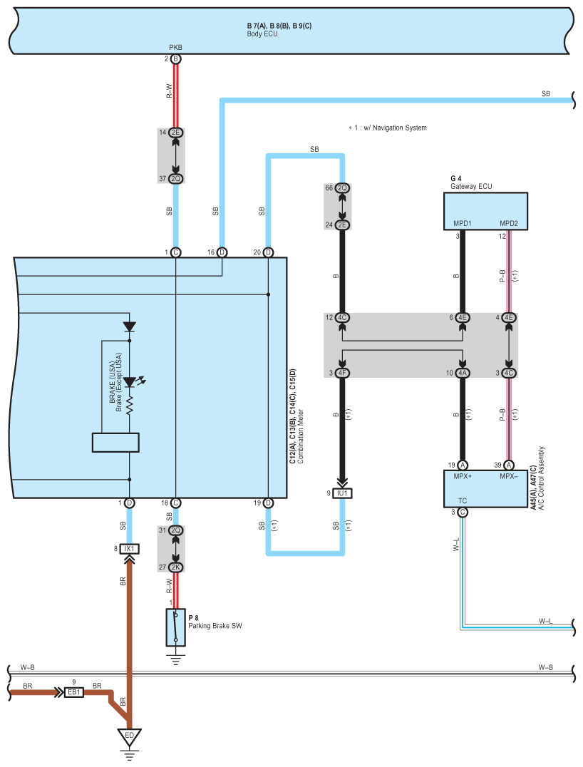
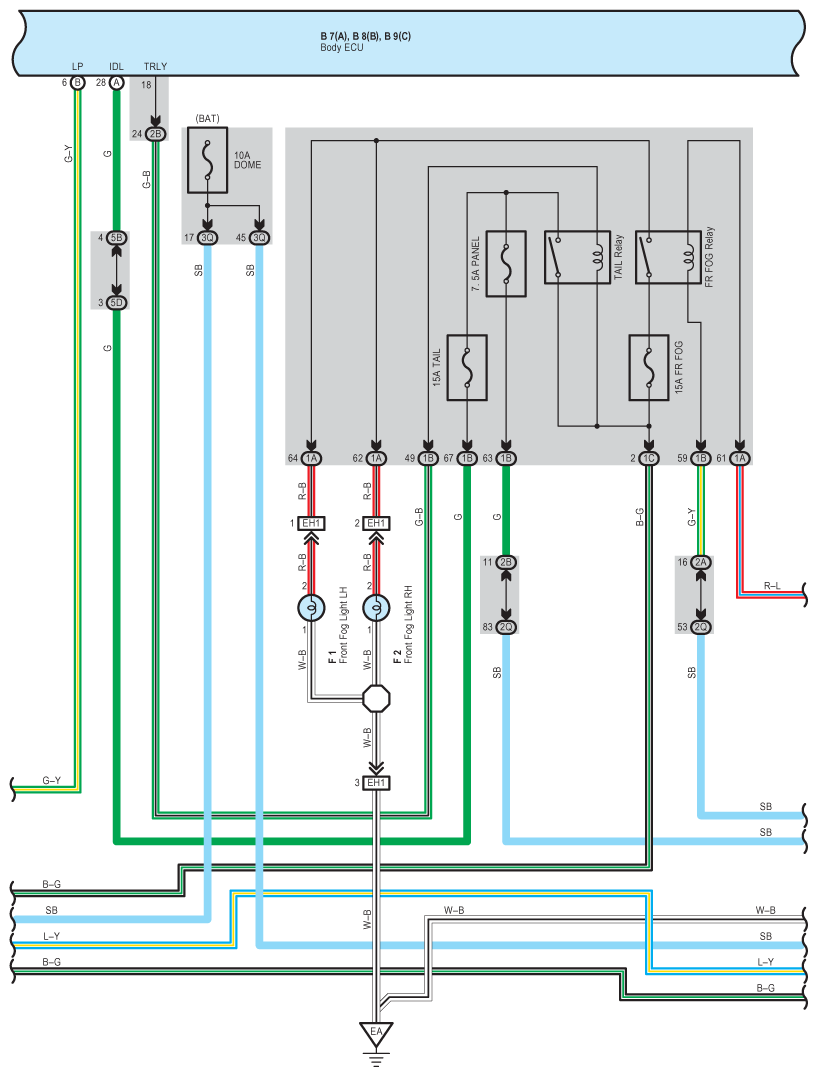
Fig 1: Multiplex Communication System (BEAN) Wiring Diagram (1 Of 20)
G08783369Courtesy of © TOYOTA, LICENSE AGREEMENT TMS1002
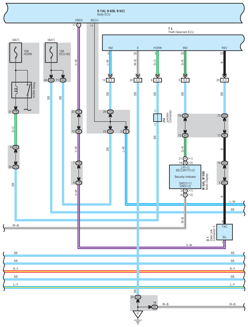
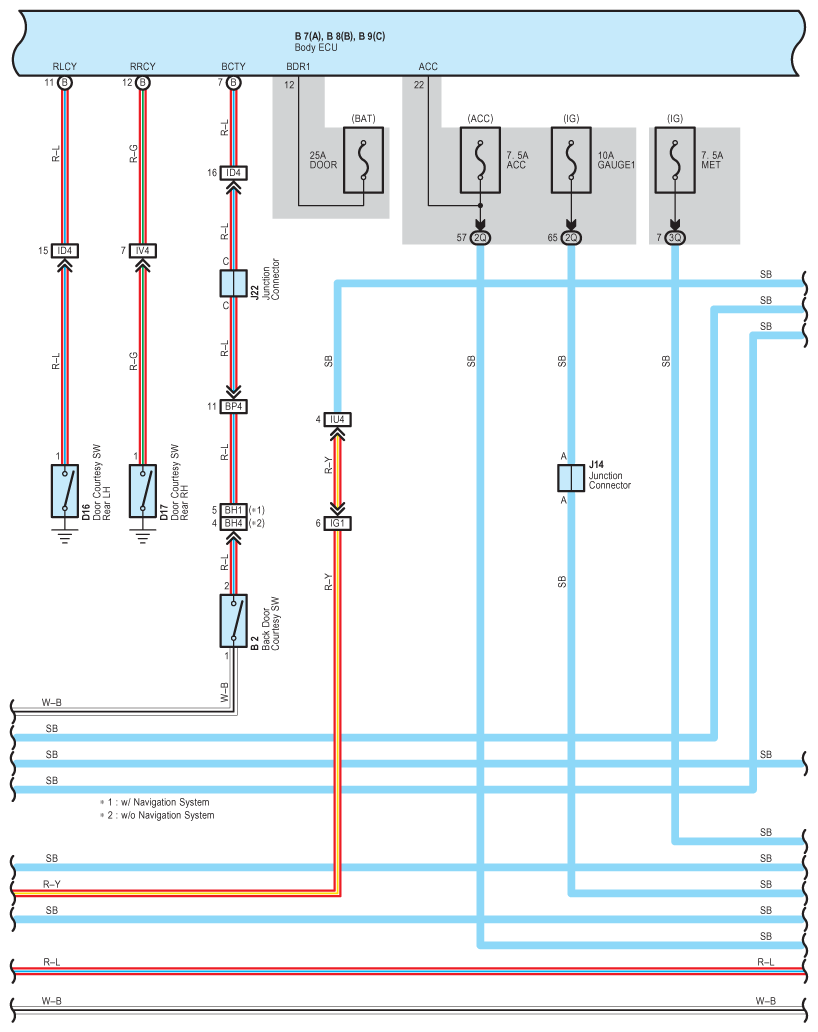
Fig 2: Multiplex Communication System (BEAN) Wiring Diagram (2 Of 20)
G08783370Courtesy of © TOYOTA, LICENSE AGREEMENT TMS1002
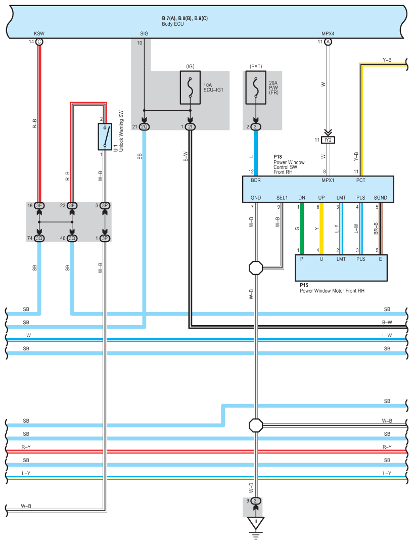
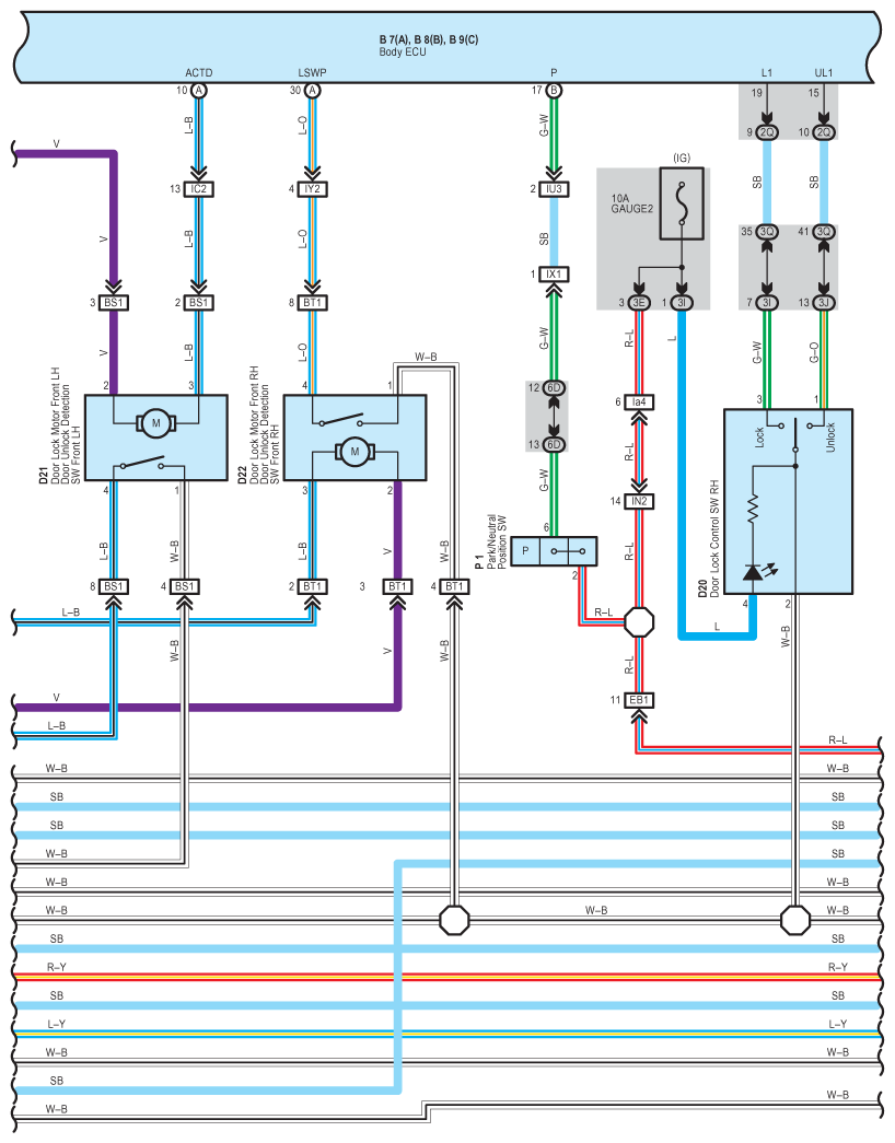
Fig 3: Multiplex Communication System (BEAN) Wiring Diagram (3 Of 20)
G08783371Courtesy of © TOYOTA, LICENSE AGREEMENT TMS1002
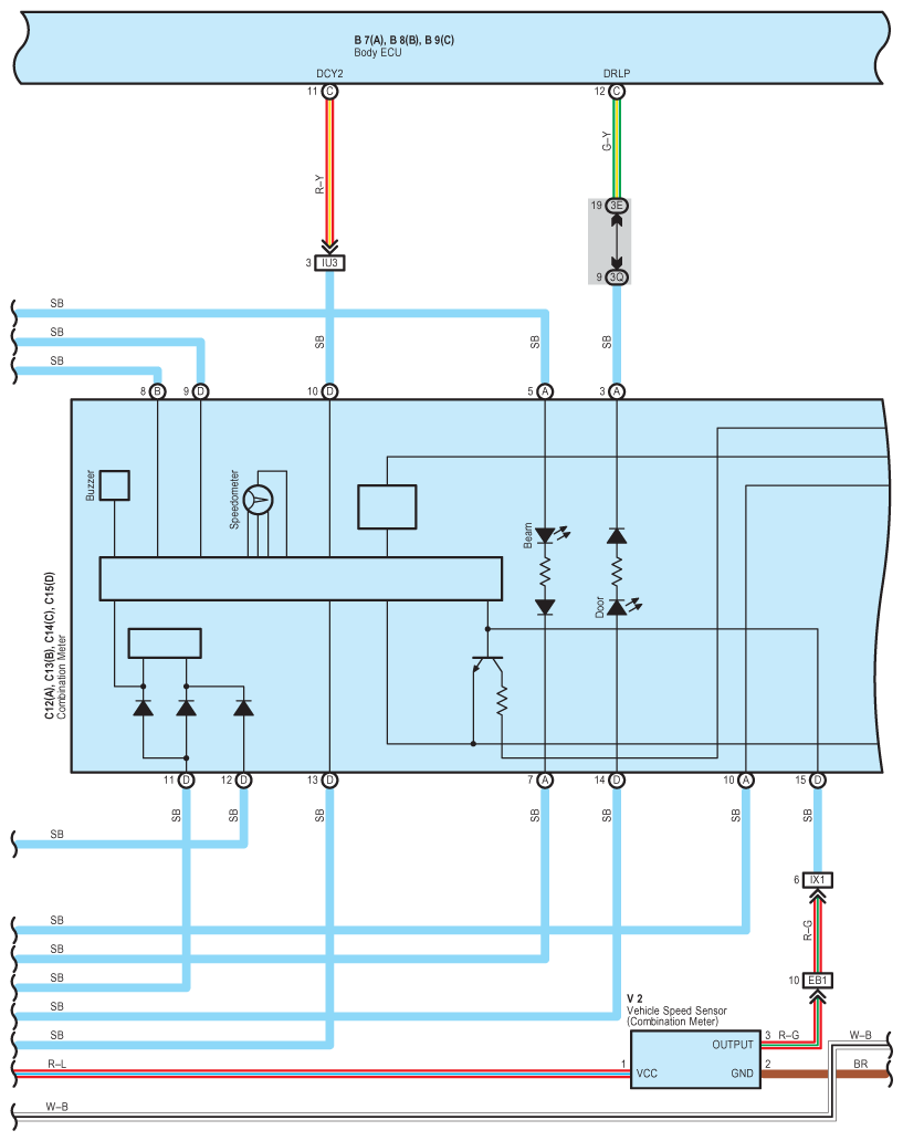
Fig 4: Multiplex Communication System (BEAN) Wiring Diagram (4 Of 20)
G08783372Courtesy of © TOYOTA, LICENSE AGREEMENT TMS1002
Fig 5: Multiplex Communication System (BEAN) Wiring Diagram (5 Of 20)
G08783373Courtesy of © TOYOTA, LICENSE AGREEMENT TMS1002
Fig 6: Multiplex Communication System (BEAN) Wiring Diagram (6 Of 20)
G08783374Courtesy of © TOYOTA, LICENSE AGREEMENT TMS1002
Fig 7: Multiplex Communication System (BEAN) Wiring Diagram (7 Of 20)
G08783375Courtesy of © TOYOTA, LICENSE AGREEMENT TMS1002
Fig 8: Multiplex Communication System (BEAN) Wiring Diagram (8 Of 20)
G08783376Courtesy of © TOYOTA, LICENSE AGREEMENT TMS1002
Fig 9: Multiplex Communication System (BEAN) Wiring Diagram (9 Of 20)
G08783377Courtesy of © TOYOTA, LICENSE AGREEMENT TMS1002
Fig 10: Multiplex Communication System (BEAN) Wiring Diagram (10 Of 20)
G08783378Courtesy of © TOYOTA, LICENSE AGREEMENT TMS1002
Fig 11: Multiplex Communication System (BEAN) Wiring Diagram (11 Of 20)
G08783379Courtesy of © TOYOTA, LICENSE AGREEMENT TMS1002
Fig 12: Multiplex Communication System (BEAN) Wiring Diagram (12 Of 20)
G08783380Courtesy of © TOYOTA, LICENSE AGREEMENT TMS1002
Fig 13: Multiplex Communication System (BEAN) Wiring Diagram (13 Of 20)
G08783381Courtesy of © TOYOTA, LICENSE AGREEMENT TMS1002
Fig 14: Multiplex Communication System (BEAN) Wiring Diagram (14 Of 20)
G08783382Courtesy of © TOYOTA, LICENSE AGREEMENT TMS1002
Fig 15: Multiplex Communication System (BEAN) Wiring Diagram (15 Of 20)
G08783383Courtesy of © TOYOTA, LICENSE AGREEMENT TMS1002
Fig 16: Multiplex Communication System (BEAN) Wiring Diagram (16 Of 20)
G08783384Courtesy of © TOYOTA, LICENSE AGREEMENT TMS1002
Fig 17: Multiplex Communication System (BEAN) Wiring Diagram (17 Of 20)
G08783385Courtesy of © TOYOTA, LICENSE AGREEMENT TMS1002
Fig 18: Multiplex Communication System (BEAN) Wiring Diagram (18 Of 20)
G08783386Courtesy of © TOYOTA, LICENSE AGREEMENT TMS1002
Fig 19: Multiplex Communication System (BEAN) Wiring Diagram (19 Of 20)
G08783387Courtesy of © TOYOTA, LICENSE AGREEMENT TMS1002
Fig 20: Multiplex Communication System (BEAN) Wiring Diagram (20 Of 20)
G08783388Courtesy of © TOYOTA, LICENSE AGREEMENT TMS1002