LEMON Manuals: Even more car manuals for everyone: 1960-2025
Home >> Toyota >> 2007 >> Land Cruiser >> Repair and Diagnosis >> Electrical >> Body Electrical >> OEM System Circuits >> Theft Deterrent >> Notes
April 5, 2026: LEMON Manuals is launched! Read the announcement.

Theft Deterrent: Notes

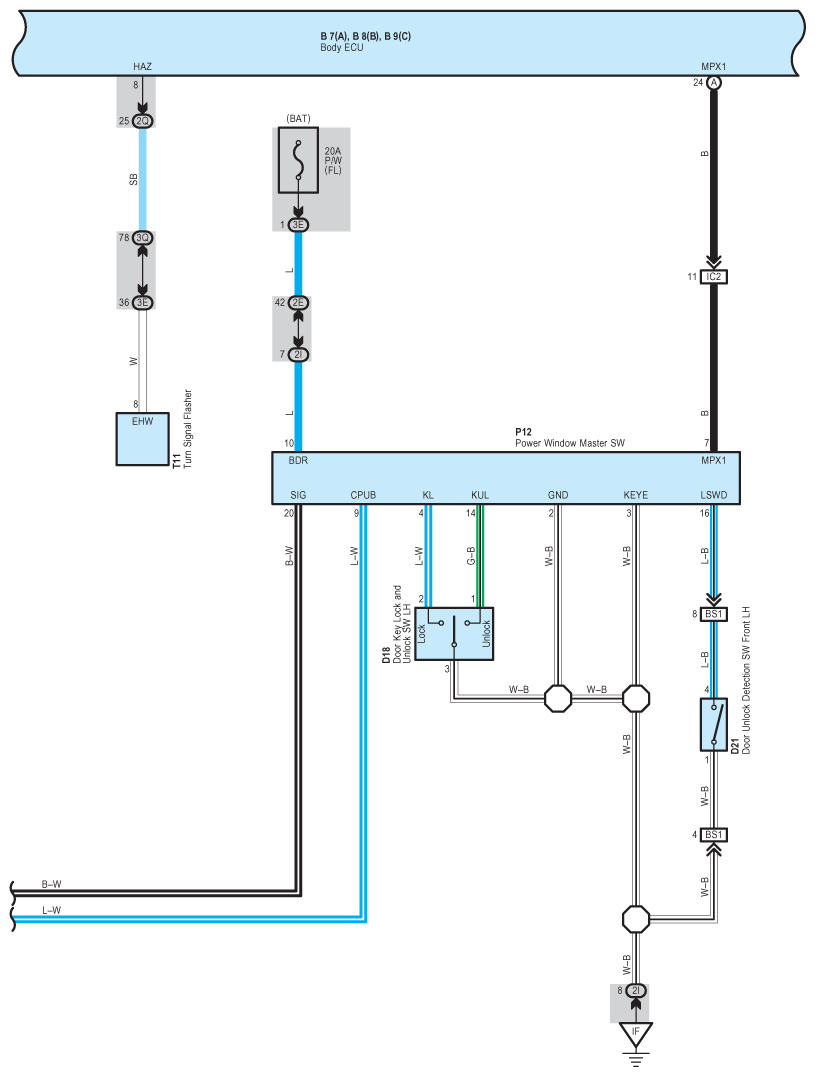
Fig 1: Theft Deterrent System Wiring Diagram (1 Of 8)
G08783449Courtesy of © TOYOTA, LICENSE AGREEMENT TMS1002
Fig 2: Theft Deterrent System Wiring Diagram (2 Of 8)
G08783450Courtesy of © TOYOTA, LICENSE AGREEMENT TMS1002
Fig 3: Theft Deterrent System Wiring Diagram (3 Of 8)
G08783451Courtesy of © TOYOTA, LICENSE AGREEMENT TMS1002
Fig 4: Theft Deterrent System Wiring Diagram (4 Of 8)
G08783452Courtesy of © TOYOTA, LICENSE AGREEMENT TMS1002
Fig 5: Theft Deterrent System Wiring Diagram (5 Of 8)
G08783453Courtesy of © TOYOTA, LICENSE AGREEMENT TMS1002
Fig 6: Theft Deterrent System Wiring Diagram (6 Of 8)
G08783454Courtesy of © TOYOTA, LICENSE AGREEMENT TMS1002
Fig 7: Theft Deterrent System Wiring Diagram (7 Of 8)
G08783455Courtesy of © TOYOTA, LICENSE AGREEMENT TMS1002
Fig 8: Theft Deterrent System Wiring Diagram (8 Of 8)
G08783456Courtesy of © TOYOTA, LICENSE AGREEMENT TMS1002