LEMON Manuals: Even more car manuals for everyone: 1960-2025
Home >> Toyota >> 2007 >> Land Cruiser >> Repair and Diagnosis >> Electrical >> Body Electrical >> OEM System Circuits >> Wireless Door Lock Control >> Notes
April 5, 2026: LEMON Manuals is launched! Read the announcement.

Wireless Door Lock Control: Notes

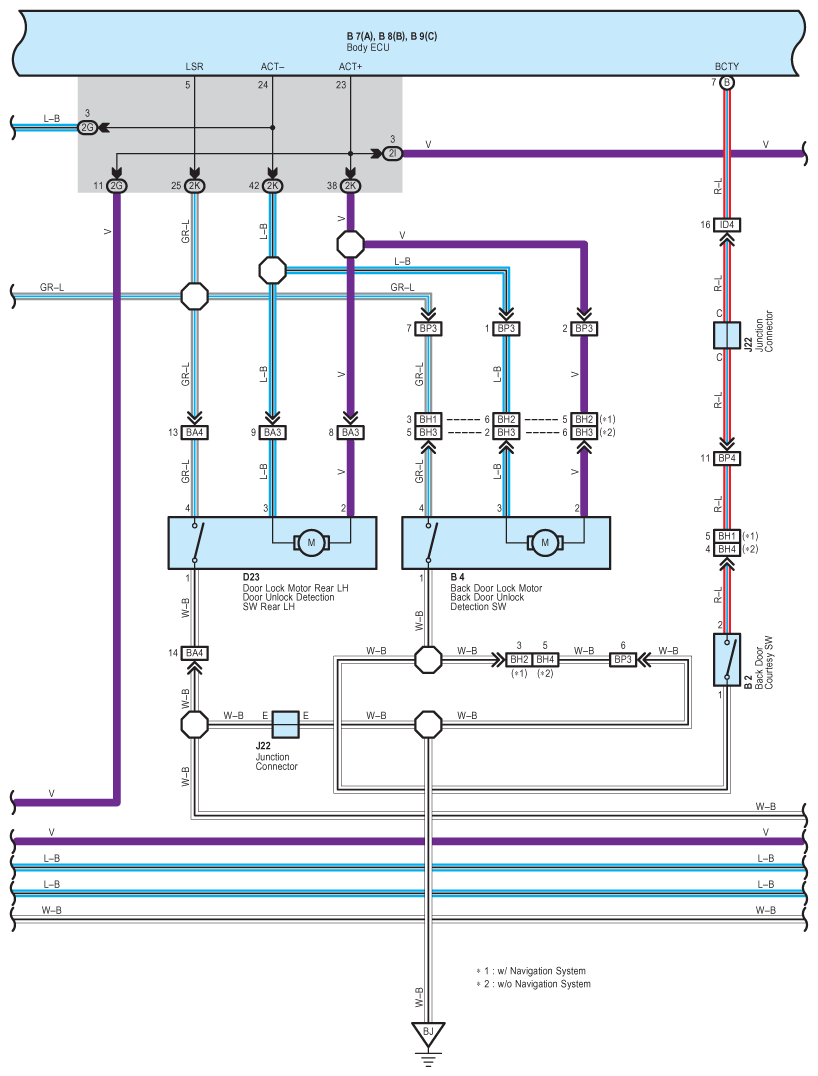
Fig 1: Wireless Door Lock Control System Wiring Diagram (1 Of 7)
G08783442Courtesy of © TOYOTA, LICENSE AGREEMENT TMS1002
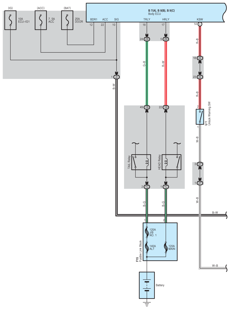
Fig 2: Wireless Door Lock Control System Wiring Diagram (2 Of 7)
G08783443Courtesy of © TOYOTA, LICENSE AGREEMENT TMS1002
Fig 3: Wireless Door Lock Control System Wiring Diagram (3 Of 7)
G08783444Courtesy of © TOYOTA, LICENSE AGREEMENT TMS1002
Fig 4: Wireless Door Lock Control System Wiring Diagram (4 Of 7)
G08783445Courtesy of © TOYOTA, LICENSE AGREEMENT TMS1002
Fig 5: Wireless Door Lock Control System Wiring Diagram (5 Of 7)
G08783446Courtesy of © TOYOTA, LICENSE AGREEMENT TMS1002
Fig 6: Wireless Door Lock Control System Wiring Diagram (6 Of 7)
G08783447Courtesy of © TOYOTA, LICENSE AGREEMENT TMS1002
Fig 7: Wireless Door Lock Control System Wiring Diagram (7 Of 7)
G08783448Courtesy of © TOYOTA, LICENSE AGREEMENT TMS1002