LEMON Manuals: Even more car manuals for everyone: 1960-2025
Home >> Toyota >> 2007 >> Land Cruiser >> Repair and Diagnosis >> Engine Performance >> Engine Control System (2UZ-FE) >> SFI System >> Cranking Holding Function Circuit >> Wiring Diagram >> Notes
April 5, 2026: LEMON Manuals is launched! Read the announcement.

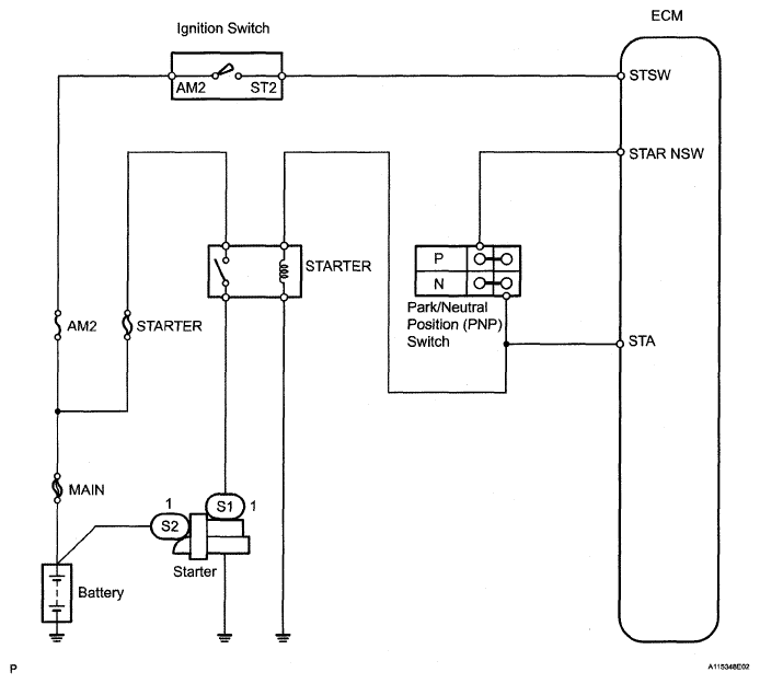
Cranking Holding Function Circuit: Wiring Diagram: Notes

Fig 1: Cranking Holding Function Circuit - Wiring Diagram
G05196888Courtesy of © TOYOTA, LICENSE AGREEMENT TMS1002