LEMON Manuals: Even more car manuals for everyone: 1960-2025
Home >> Toyota >> 2007 >> Land Cruiser >> Repair and Diagnosis >> External Pages >> Different car >> Section 12 (Emission Control System) >> Emission Control System >> System Diagram
April 5, 2026: LEMON Manuals is launched! Read the announcement.

System Diagram

WARNING: This page is about a different car, the 2006 Toyota Land Cruiser. However, it is still accessible from the selected car via links, so may be relevant.

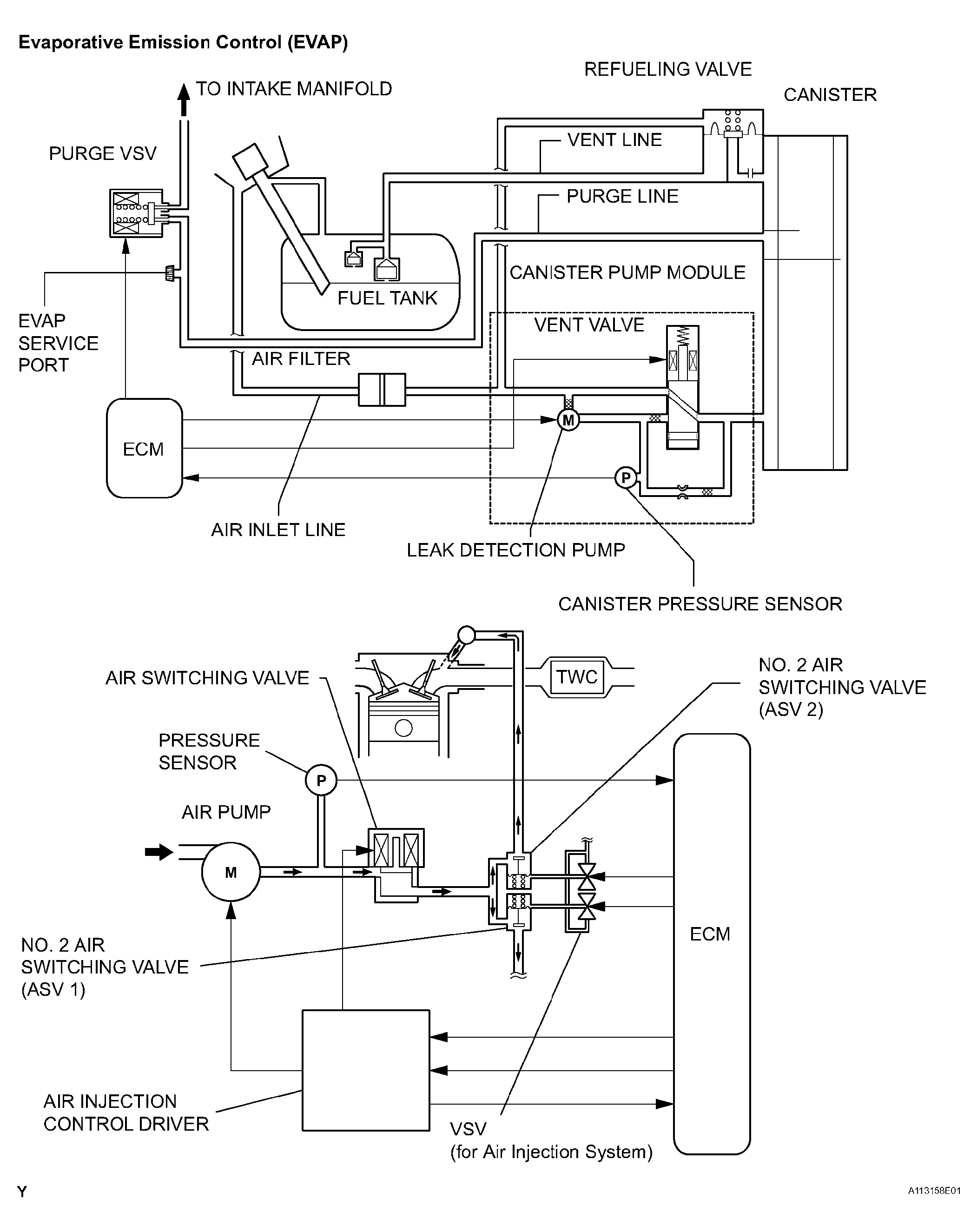
(2005/05-2006/01)

Fig 1: Emission Control System EVAP And Secondary Air Injection System Diagrams (2005/05-2006/01)
G04436077Courtesy of © TOYOTA, LICENSE AGREEMENT TMS1002


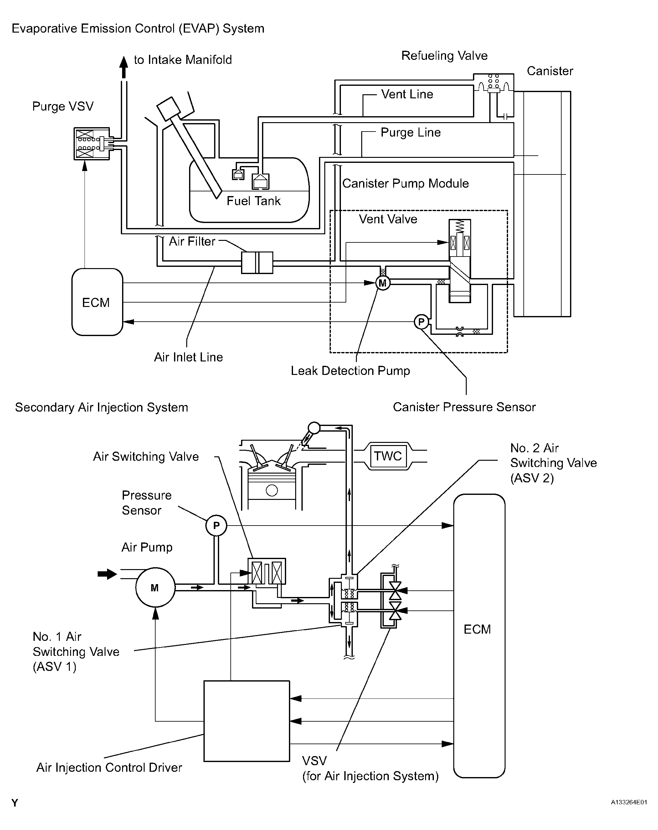
(2006/01-)

Fig 1: Emission Control System EVAP And Secondary Air Injection System Diagrams (2006/01-)
G04436078Courtesy of © TOYOTA, LICENSE AGREEMENT TMS1002