LEMON Manuals: Even more car manuals for everyone: 1960-2025
Home >> Toyota >> 2007 >> Matrix Base, Standard >> Repair and Diagnosis (Single Page) >> Electrical >> Body Electrical >> OEM System Circuits >> Engine Immobiliser System >> Notes
April 5, 2026: LEMON Manuals is launched! Read the announcement.

Engine Immobiliser System: Notes

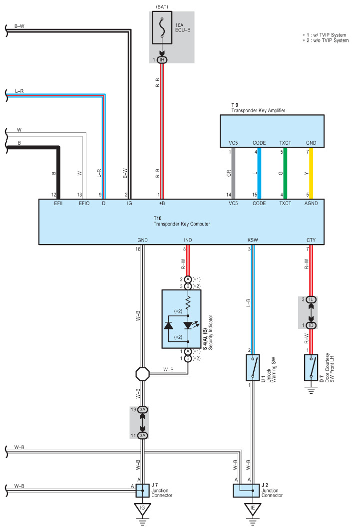
Fig 1: Engine Immobiliser System Wiring Diagram (1 Of 2)
G08790375Courtesy of © TOYOTA, LICENSE AGREEMENT TMS1002
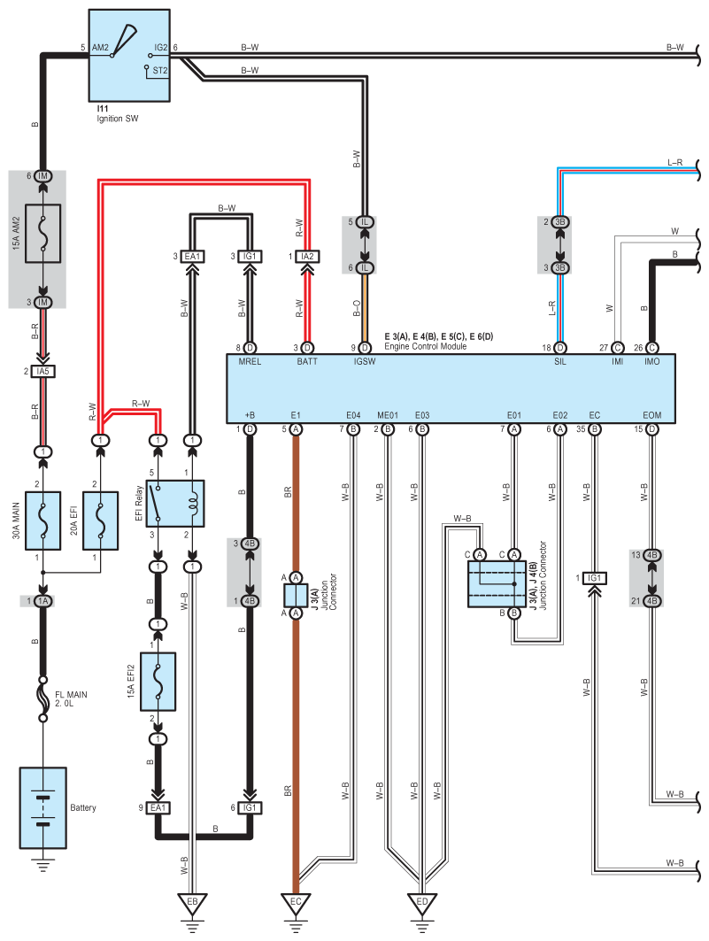
Fig 2: Engine Immobiliser System Wiring Diagram (2 Of 2)
G08790376Courtesy of © TOYOTA, LICENSE AGREEMENT TMS1002