LEMON Manuals: Even more car manuals for everyone: 1960-2025
Home >> Toyota >> 2007 >> Matrix Base, Standard >> Repair and Diagnosis (Single Page) >> Electrical >> Body Electrical >> OEM System Circuits >> Front Wiper and Washer >> Notes
April 5, 2026: LEMON Manuals is launched! Read the announcement.

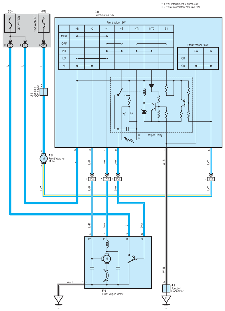
Front Wiper and Washer: Notes

Fig 1: Front Wiper And Washer System Wiring Diagram
G08790391Courtesy of © TOYOTA, LICENSE AGREEMENT TMS1002