LEMON Manuals: Even more car manuals for everyone: 1960-2025
Home >> Toyota >> 2007 >> Matrix Base, Standard >> Repair and Diagnosis (Single Page) >> Electrical >> Body Electrical >> OEM System Circuits >> Key Reminder and Light Reminder >> Notes
April 5, 2026: LEMON Manuals is launched! Read the announcement.

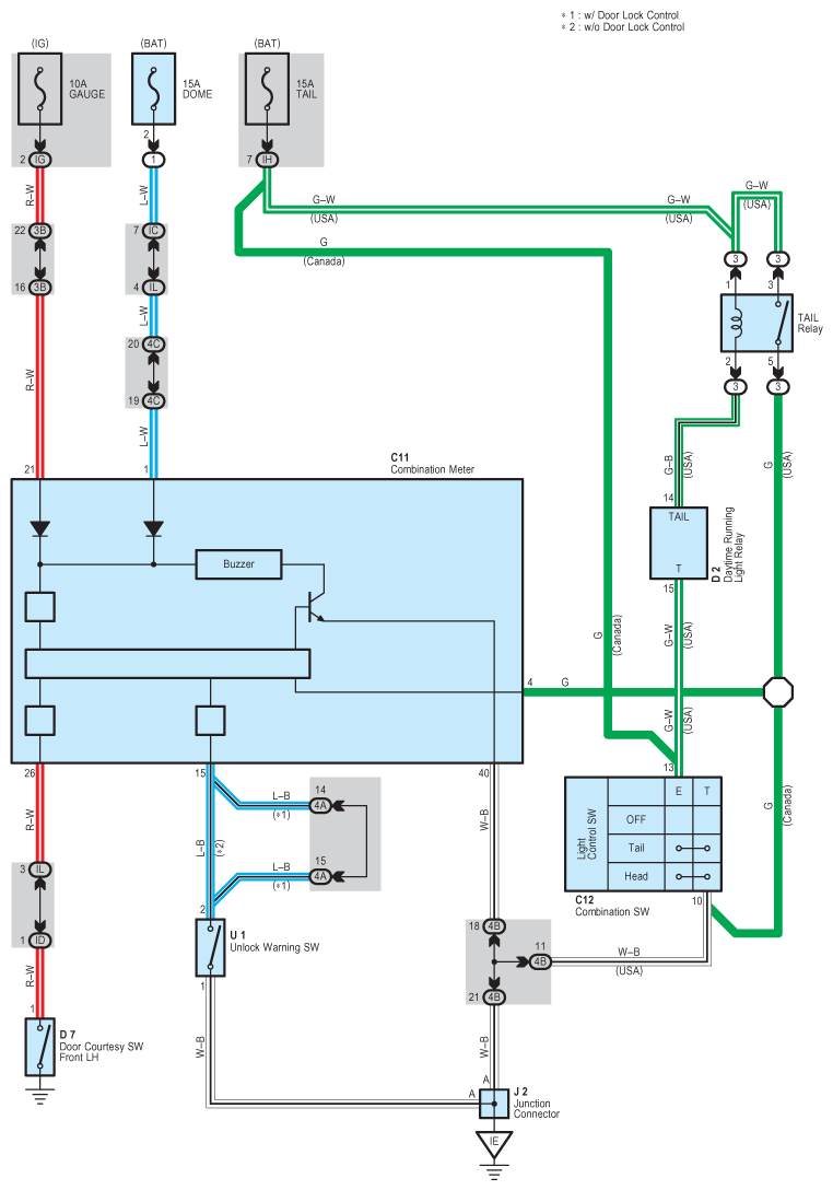
Key Reminder and Light Reminder: Notes

Fig 1: Key Reminder And Light Reminder System Wiring Diagram
G08790437Courtesy of © TOYOTA, LICENSE AGREEMENT TMS1002