LEMON Manuals: Even more car manuals for everyone: 1960-2025
Home >> Toyota >> 2007 >> Matrix Base, Standard >> Repair and Diagnosis (Single Page) >> Electrical >> Motors, Switches, Relays >> OEM System Circuits >> Charging >> Notes
April 5, 2026: LEMON Manuals is launched! Read the announcement.

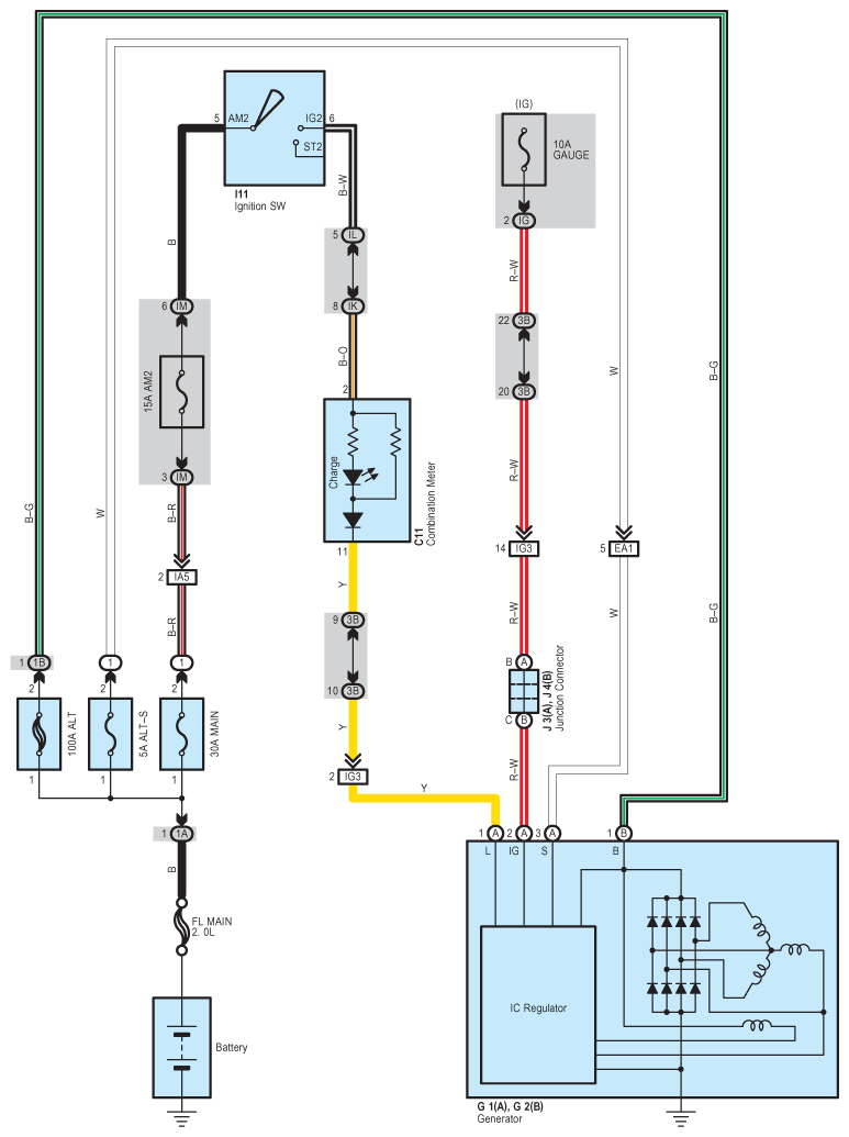
OEM System Circuits: Charging: Notes

Fig 1: Charging System Wiring Diagram
G08790366Courtesy of © TOYOTA, LICENSE AGREEMENT TMS1002