LEMON Manuals: Even more car manuals for everyone: 1960-2025
Home >> Toyota >> 2007 >> Matrix Base, Standard >> Repair and Diagnosis (Single Page) >> Engine Performance >> Engine Control System (1ZZ-FE) >> SFI System >> EVAP System >> Wiring Diagram
April 5, 2026: LEMON Manuals is launched! Read the announcement.

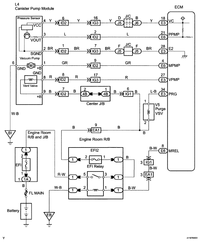
EVAP System: Wiring Diagram

Fig 1: EVAP System - Wiring Diagram
G05232807Courtesy of © TOYOTA, LICENSE AGREEMENT TMS1002