LEMON Manuals: Even more car manuals for everyone: 1960-2025
Home >> Toyota >> 2007 >> Matrix Base, Standard >> Repair and Diagnosis >> Electrical >> Body Electrical >> OEM System Circuits >> Moon Roof >> Notes
April 5, 2026: LEMON Manuals is launched! Read the announcement.

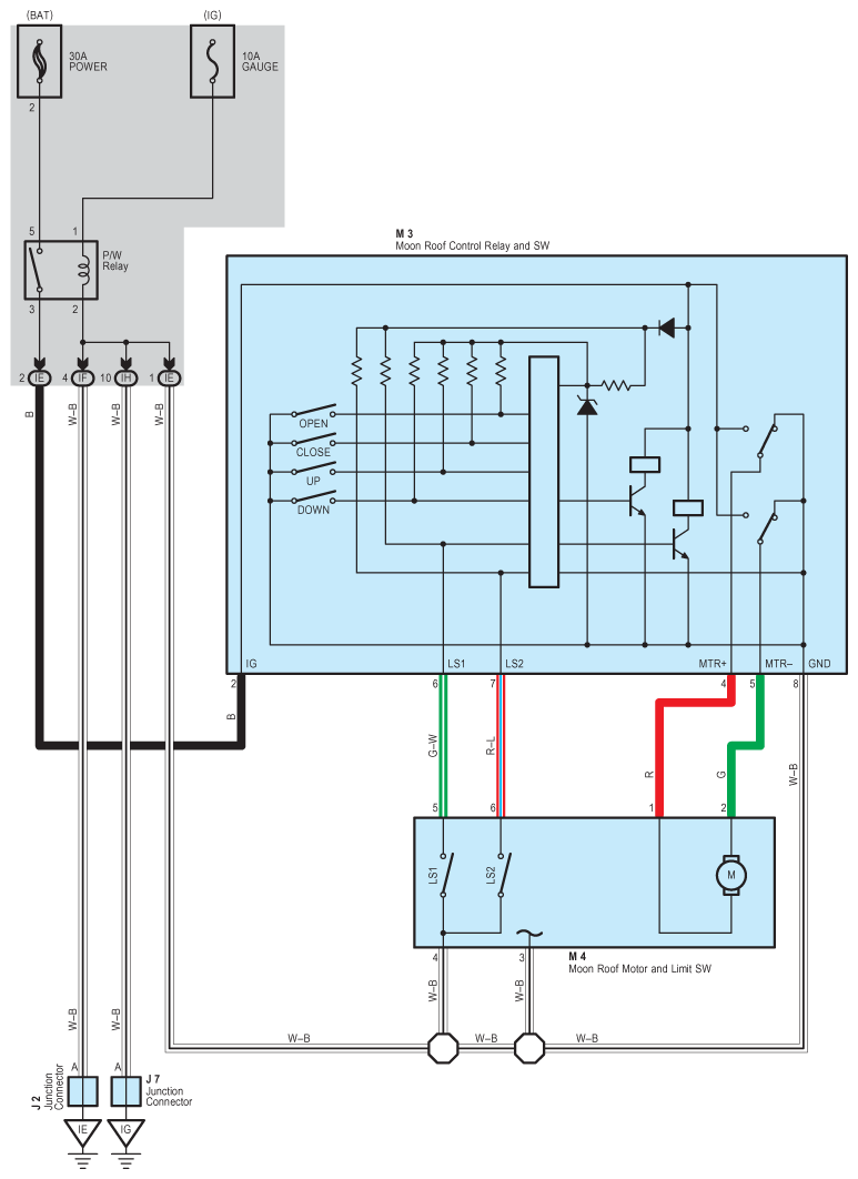
Moon Roof: Notes

Fig 1: Moon Roof System Wiring Diagram
G08790415Courtesy of © TOYOTA, LICENSE AGREEMENT TMS1002