LEMON Manuals: Even more car manuals for everyone: 1960-2025
Home >> Toyota >> 2007 >> Matrix Base, Standard >> Repair and Diagnosis >> Electrical >> Body Electrical >> OEM System Circuits >> Rear Wiper and Washer >> Notes
April 5, 2026: LEMON Manuals is launched! Read the announcement.

Rear Wiper and Washer: Notes

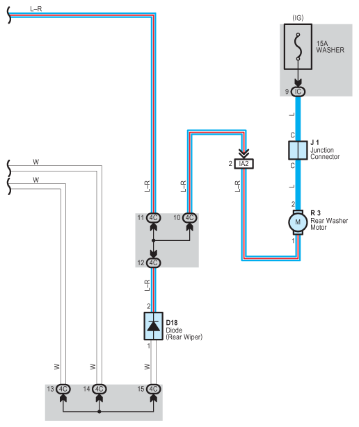
Fig 1: Rear Wiper And Washer System Wiring Diagram (1 Of 2)
G08790392Courtesy of © TOYOTA, LICENSE AGREEMENT TMS1002
Fig 2: Rear Wiper And Washer System Wiring Diagram (2 Of 2)
G08790393Courtesy of © TOYOTA, LICENSE AGREEMENT TMS1002