LEMON Manuals: Even more car manuals for everyone: 1960-2025
Home >> Toyota >> 2007 >> Matrix L4-1.8L (1ZZ-FE) >> Repair and Diagnosis >> Body and Frame >> Locks >> Power Locks >> Testing and Inspection >> Symptom Related Diagnostic Procedures >> Key Lock-In Prevention Function Does Not Work Properly
April 5, 2026: LEMON Manuals is launched! Read the announcement.

Key Lock-In Prevention Function Does Not Work Properly

Key Lock-in Prevention Function does not Work Properly

DESCRIPTION

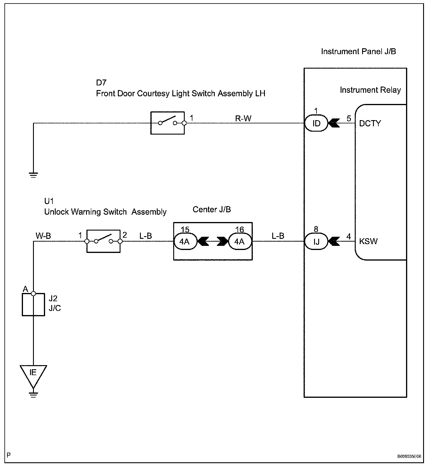
The unlock warning switch turns on when the key is inserted into the ignition key cylinder and the door courtesy switch turns on when the driver side door is opened. The integration relay monitors the condition of both switches. If the integration relay detects that both the unlock warning switch and door courtesy switch are on, the integration relay prevents door lock operations so that the key cannot be locked in the vehicle.

Wiring Diagram:






Step 1-2:




Step 3-4:




INSPECTION PROCEDURE