LEMON Manuals: Even more car manuals for everyone: 1960-2025
Home >> Toyota >> 2007 >> Matrix L4-1.8L (1ZZ-FE) >> Repair and Diagnosis >> Powertrain Management >> Computers and Control Systems >> Testing and Inspection >> Component Tests and General Diagnostics >> EVAP System
April 5, 2026: LEMON Manuals is launched! Read the announcement.

EVAP System

EVAP System

RELATED DTCS




If any EVAP system DTCs are set, the malfunctioning area can be determined using the table.






NOTE: If the 0.02 inch reference pressure difference between the first and second checks is greater than the specification, the DTCs corresponding to the reference pressure (P043E, P043F, P0441, P0455, P0456, P2401, P2420) will be all stored.

DESCRIPTION









NOTE: In this vehicle's EVAP system, turning ON the vent valve does not seal off the EVAP system. To check for leaks in the EVAP system, disconnect the air inlet vent hose and apply pressure from the atmospheric side of the canister.

While the engine is running, if a predetermined condition (closed-loop, etc.) is met, the purge VSV is opened by the ECM and stored fuel vapors in the canister are purged to the intake manifold. The ECM changes the duty cycle ratio of the purge VSV to control purge flow volume.

The purge flow volume is also determined by the intake manifold pressure. Atmospheric pressure is allowed into the canister through the vent valve to ensure that the purge flow is maintained when the negative pressure (vacuum) is applied to the canister.

The following two monitors run to confirm appropriate EVAP system operation.

1. Key-off monitor
This monitor checks for EVAP (Evaporative Emission) system leaks and canister pump module malfunctions. The monitor starts 5 hours* after the ignition switch is turned to OFF. At least 5 hours are required for the fuel to cool down to stabilize the EVAP pressure, thus making the EVAP system monitor more accurate.

The leak detection pump creates negative pressure (vacuum) in the EVAP system and the pressure is measured. Finally, the ECM monitors for leaks from the EVAP system, and malfunctions in both the canister pump module and purge VSV, based on the EVAP pressure.

HINT: *If the engine coolant temperature is not below 35 °C (95 °F) 5 hours after the ignition switch is turned off, the monitor check starts 2 hours later. If it is still not below 35 °C (95 °F) 7 hours after the ignition switch is turned off, the monitor check starts 2.5 hours later.

2. Purge flow monitor
The purge flow monitor consists of the two monitors. The 1st monitor is conducted every time and the 2nd monitor is activated if necessary.

- The 1st monitor
While the engine is running and the purge VSV (Vacuum Switching Valve) is ON (open), the ECM monitors the purge flow by measuring the EVAP pressure change. If negative pressure is not created, the ECM begins the 2nd monitor.

- The 2nd monitor
The vent valve is turned OFF (open) and the EVAP pressure is measured. If the variation in the pressure is less than 0.5 kPa-g (3.75 mmHg-g), the ECM interprets this as the purge VSV being stuck closed, and illuminates the MIL and sets DTC P0441 (2 trip detection logic).
















Atmospheric pressure check:
In order to ensure reliable malfunction detection, the variation between the atmospheric pressures, before and after conduction of the purge flow monitor, is measured by the ECM.

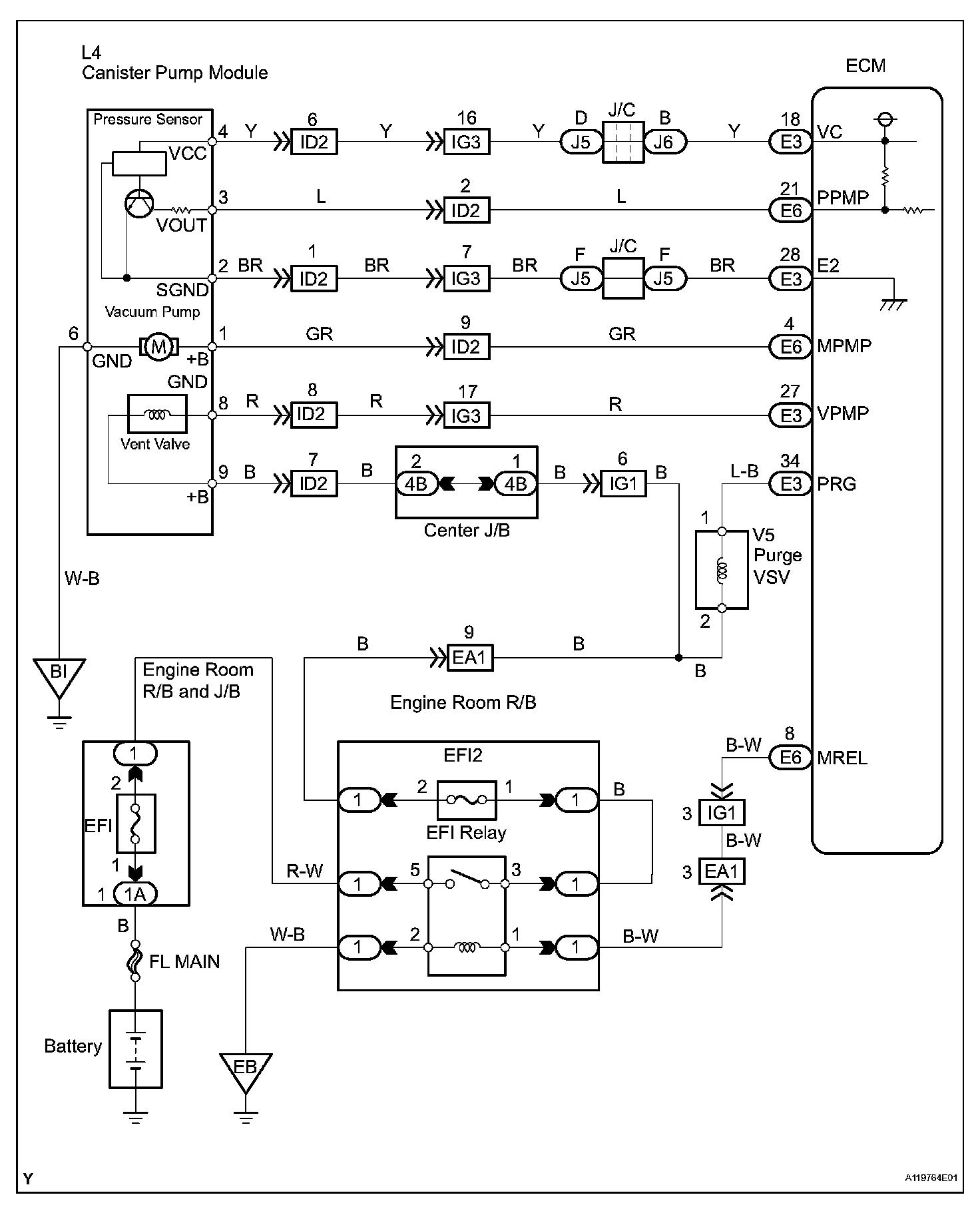
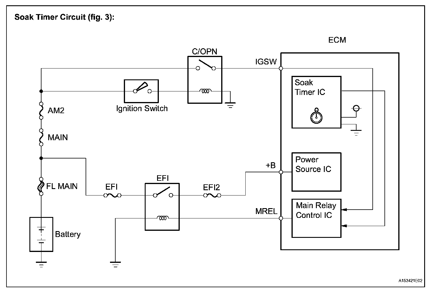
Wiring Diagram:






Step 1:




Step 1(continued)-2:




Step 2(continued)-3:




Step 3(continued)-4:




Step 4(continued)-5:




Step 5(continued)-6:




Step 6(continued)-7:




Step 7(continued)-8:




Step 9:




Step 9(continued)-10:




Step 11:




Step 12-13:




Step 13(continued)-15:




Step 15(continued)-17:




Step 18-19:




Step 20-21:




Step 22-23:




Step 24-26:




Step 26(continued)-28:




Step 28(continued)-30:




Step 31-36:




Step 36(continued):




INSPECTION PROCEDURE

NOTE: The intelligent tester is required to conduct the following diagnostic troubleshooting procedure.

HINT:
- Using an intelligent tester monitor results enables the EVAP (Evaporative Emission) system to be confirmed.
- Read freeze frame data using the intelligent tester. The ECM records vehicle and driving condition information as freeze frame data the moment a DTC is stored. When troubleshooting, freeze frame data can be helpful in determining whether the vehicle was running or stopped, whether the engine was warmed up or not, whether the air/fuel ratio was lean or rich, as well as other data recorded at the time of a malfunction.

CONFIRMATION DRIVING PATTERN

HINT: After a repair, check Monitor Status by performing the Key-Off Monitor Confirmation and Purge Flow Monitor Confirmation described.

1. KEY-OFF MONITOR CONFIRMATION
a. Preconditions
The monitor will not run unless:
- The vehicle has been driven for 10 minutes or more (in a city area or on a free way)
- The fuel tank is less than 90 % full
- The altitude is less than 8,000 ft (2,400 m)
- The Engine Coolant Temperature (ECT) is between 4.4 °C and 35 °C (40 °F and 95°F)
- The Intake Air Temperature (IAT) is between 4.4 °C and 35 °C (40 °F and 95 °F)
- The vehicle remains stationary (the vehicle speed is 0 mph [0 km/h])

b. Monitor Conditions
1. Allow the engine to idle for at least 5 minutes.
2. Turn the ignition switch to OFF and wait for 6 hours (8 or 10.5 hours).

HINT: Do not start the engine until checking MONITOR STATUS.
If the engine is started, the steps described above must be repeated.

c. Monitor Status
1. Connect an intelligent tester to the DLC3.
2. Turn the ignition switch to ON and turn the tester ON.
3. Select the following menu items: DIAGNOSIS / ENHANCED OBD II / MONITOR STATUS.
4. Check the Monitor Status displayed on the tester.

HINT: If INCMP is displayed, the monitor is not complete. Make sure that the preconditions have been met, and perform the Monitor Conditions again.

2. PURGE FLOW MONITOR CONFIRMATION (P0441)

HINT: Perform this monitor confirmation after the Key-Off Monitor Confirmation shows COMPL (complete).

a. Preconditions
The monitor will not run unless:
- The vehicle has been driven for 10 minutes or more (in a city area or on a free way)
- The ECT is between 4.4 °C and 35 °C (40 °F and 95 °F)
- The IAT is between 4.4 °C and 35 °C (40 °F and 95 °F)

b. Monitor Conditions
1. Release the pressure from the fuel tank by removing and reinstalling the fuel cap.
2. Warm the engine up until the ECT reaches more than 75 °C (167 °F).
3. Increase the engine speed to 3,000 rpm once.
4. Allow the engine to idle and turn A/C ON for 1 minute.

c. Monitor Status
1. Turn the ignition switch to OFF (where ON or the engine is running).
2. Connect an intelligent tester to the DLC3.
3. Turn the ignition switch to ON and turn the tester ON.
4. Select the following menu items: DIAGNOSIS / ENHANCED OBD II / MONITOR STATUS.
5. Check the Monitor Status displayed on the tester.

HINT: If INCMP is displayed, the monitor is not complete. Make sure that the preconditions have been met, and perform the Monitor Conditions again.

MONITOR RESULT







Refer to CHECKING MONITOR STATUS. Checking Monitor Status

The test value and test limit information are described in the table. This information is included under MONITOR RESULT in the emissions-related DTC sections:
- MID (Monitor Identification Data) is assigned to each emissions-related component.
- TID (Test Identification Data) is assigned to each test value.
- Scaling is used to calculate the test value indicated on generic OBD II scan tools.