LEMON Manuals: Even more car manuals for everyone: 1960-2025
Home >> Toyota >> 2007 >> Matrix XR, Standard >> Repair and Diagnosis (Single Page) >> Electrical >> Body Electrical >> OEM System Circuits >> Interior Light >> Notes
April 5, 2026: LEMON Manuals is launched! Read the announcement.

Interior Light: Notes

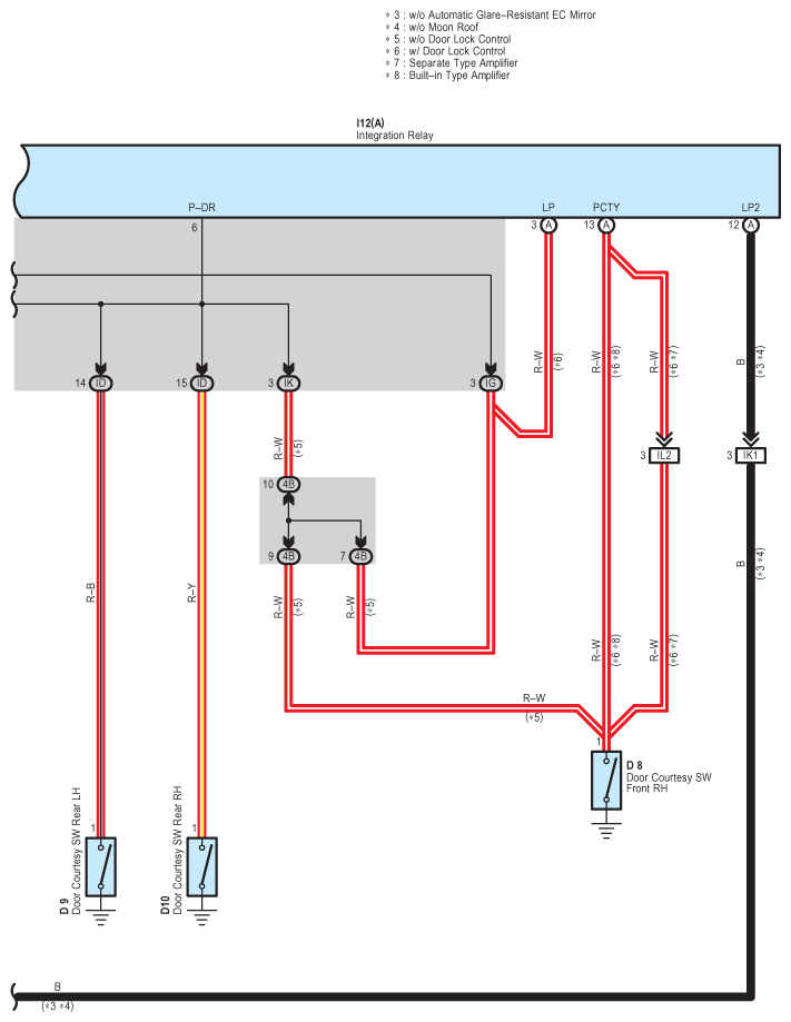
Fig 1: Interior Light System Wiring Diagram (1 Of 3)
G08790386Courtesy of © TOYOTA, LICENSE AGREEMENT TMS1002
Fig 2: Interior Light System Wiring Diagram (2 Of 3)
G08790387Courtesy of © TOYOTA, LICENSE AGREEMENT TMS1002
Fig 3: Interior Light System Wiring Diagram (3 Of 3)
G08790388Courtesy of © TOYOTA, LICENSE AGREEMENT TMS1002