LEMON Manuals: Even more car manuals for everyone: 1960-2025
Home >> Toyota >> 2007 >> Prius Base >> Repair and Diagnosis >> Brakes >> Brakes Control Systems >> Brake Control System >> Electronically Controlled Brake System >> DTC C1249/49 Open in Stop Light Switch Circuit >> Wiring Diagram
April 5, 2026: LEMON Manuals is launched! Read the announcement.

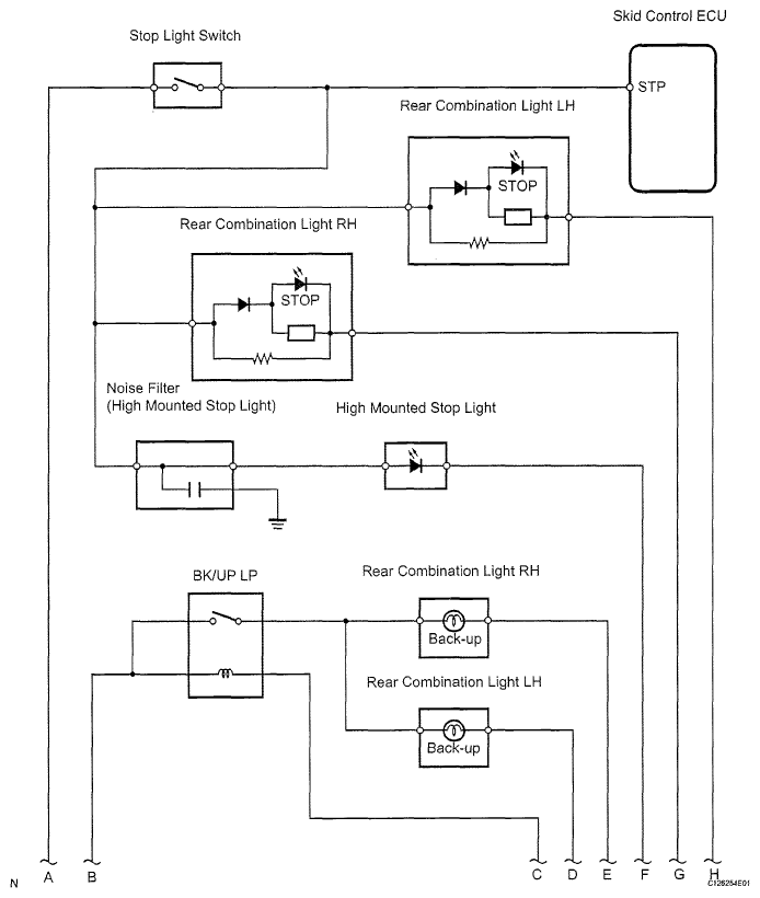
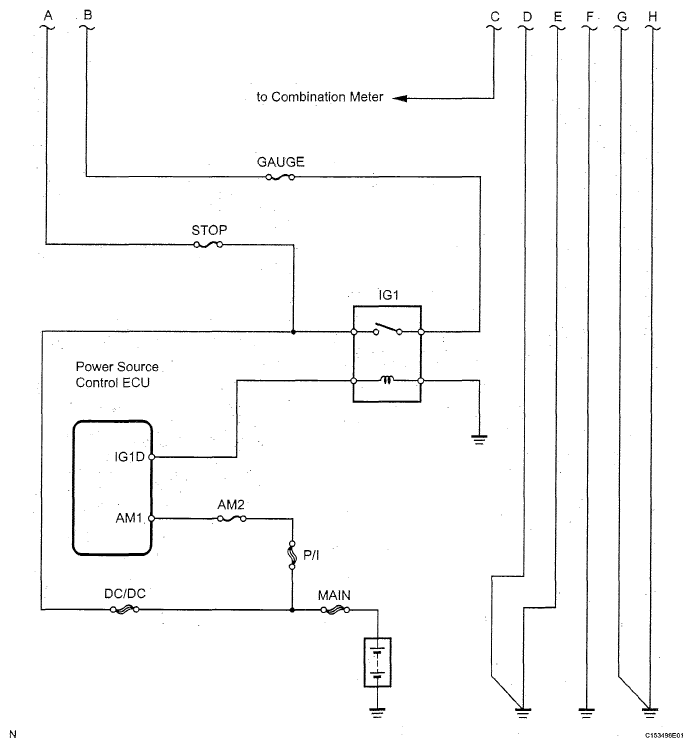
DTC C1249/49 Open in Stop Light Switch Circuit: Wiring Diagram

Fig 1: Stop Light Switch Wiring Diagram (1 Of 2)
G05189261Courtesy of © TOYOTA, LICENSE AGREEMENT TMS1002
Fig 2: Stop Light Switch Wiring Diagram (2 Of 2)
G05189262Courtesy of © TOYOTA, LICENSE AGREEMENT TMS1002