LEMON Manuals: Even more car manuals for everyone: 1960-2025
Home >> Toyota >> 2007 >> Prius Base >> Repair and Diagnosis >> Electrical >> Body Electrical >> OEM System Circuits >> Front Wiper And Washer >> Notes
April 5, 2026: LEMON Manuals is launched! Read the announcement.

Front Wiper And Washer: Notes

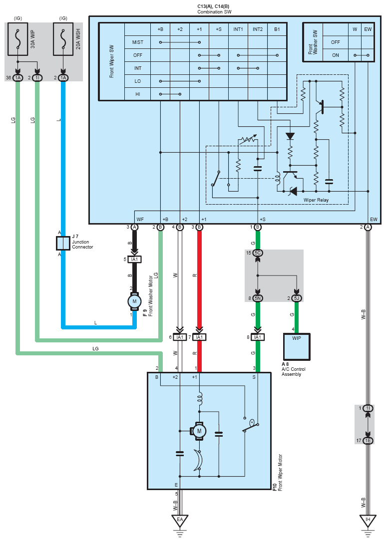
Fig 1: Front wiper and washer system wiring diagram
G08866074Courtesy of © TOYOTA, LICENSE AGREEMENT TMS1002