LEMON Manuals: Even more car manuals for everyone: 1960-2025
Home >> Toyota >> 2007 >> Prius Base >> Repair and Diagnosis >> Electrical >> Body Electrical >> OEM System Circuits >> Interior Light >> Notes
April 5, 2026: LEMON Manuals is launched! Read the announcement.

Interior Light: Notes

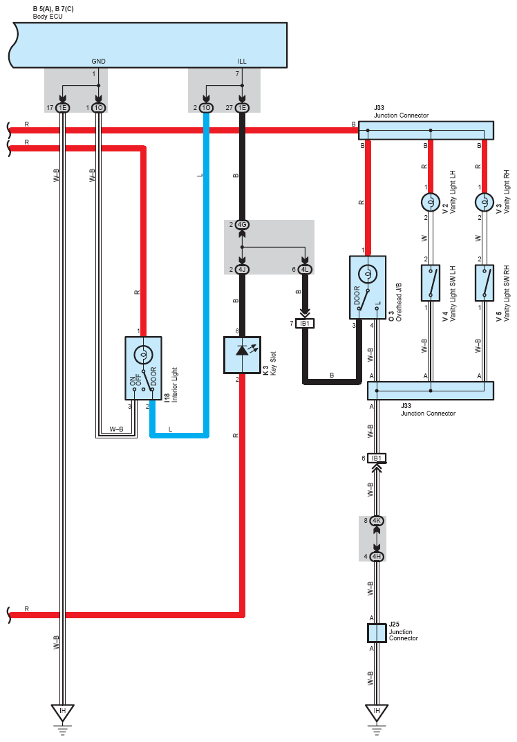
Fig 1: Interior light system wiring diagram (1 of 5)
G08866059Courtesy of © TOYOTA, LICENSE AGREEMENT TMS1002
Fig 2: Interior light system wiring diagram (2 of 5)
G08866060Courtesy of © TOYOTA, LICENSE AGREEMENT TMS1002
Fig 3: Interior light system wiring diagram (3 of 5)
G08866061Courtesy of © TOYOTA, LICENSE AGREEMENT TMS1002
Fig 4: Interior light system wiring diagram (4 of 5)
G08866062Courtesy of © TOYOTA, LICENSE AGREEMENT TMS1002
Fig 5: Interior light system wiring diagram (5 of 5)
G08866063Courtesy of © TOYOTA, LICENSE AGREEMENT TMS1002