LEMON Manuals: Even more car manuals for everyone: 1960-2025
Home >> Toyota >> 2007 >> Prius Base >> Repair and Diagnosis >> Electrical >> Body Electrical >> OEM System Circuits >> Multi-Display And Audio System For Built-In Amplifier >> Notes
April 5, 2026: LEMON Manuals is launched! Read the announcement.

Multi-Display And Audio System For Built-In Amplifier: Notes

Fig 1: Multi-display and audio system for built-in amplifier system wiring diagram (1 of 5)
G08866166Courtesy of © TOYOTA, LICENSE AGREEMENT TMS1002
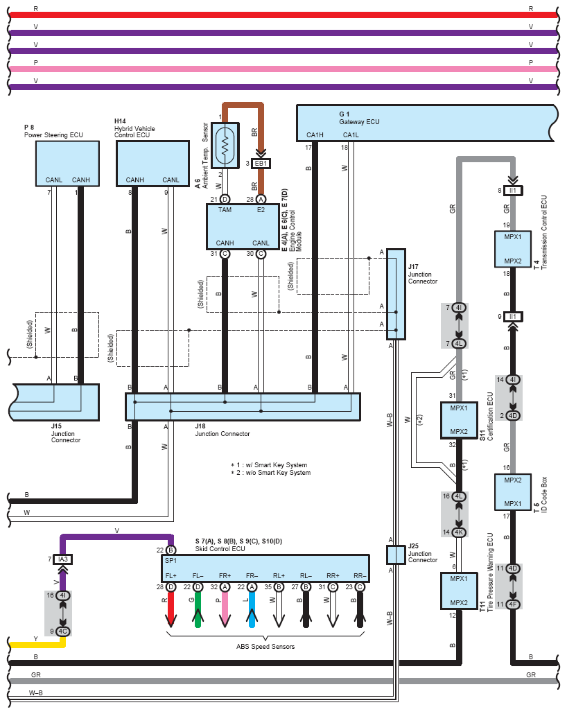
Fig 2: Multi-display and audio system for built-in amplifier system wiring diagram (2 of 5)
G08866167Courtesy of © TOYOTA, LICENSE AGREEMENT TMS1002
Fig 3: Multi-display and audio system for built-in amplifier system wiring diagram (3 of 5)
G08866168Courtesy of © TOYOTA, LICENSE AGREEMENT TMS1002
Fig 4: Multi-display and audio system for built-in amplifier system wiring diagram (4 of 5)
G08866169Courtesy of © TOYOTA, LICENSE AGREEMENT TMS1002
Fig 5: Multi-display and audio system for built-in amplifier system wiring diagram (5 of 5)
G08866170Courtesy of © TOYOTA, LICENSE AGREEMENT TMS1002