LEMON Manuals: Even more car manuals for everyone: 1960-2025
Home >> Toyota >> 2007 >> Prius Base >> Repair and Diagnosis >> Electrical >> Body Electrical >> OEM System Circuits >> Radiator Fan And Condenser Fan >> Notes
April 5, 2026: LEMON Manuals is launched! Read the announcement.

Radiator Fan And Condenser Fan: Notes

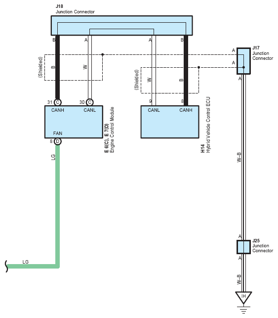
Fig 1: Radiator fan and condenser fan system wiring diagram (1 of 2)
G08866175Courtesy of © TOYOTA, LICENSE AGREEMENT TMS1002
Fig 2: Radiator fan and condenser fan system wiring diagram (2 of 2)
G08866176Courtesy of © TOYOTA, LICENSE AGREEMENT TMS1002