LEMON Manuals: Even more car manuals for everyone: 1960-2025
Home >> Toyota >> 2007 >> Prius Base >> Repair and Diagnosis >> Electrical >> Body Electrical >> OEM System Circuits >> TOYOTA Hybrid System >> Notes
April 5, 2026: LEMON Manuals is launched! Read the announcement.

TOYOTA Hybrid System: Notes

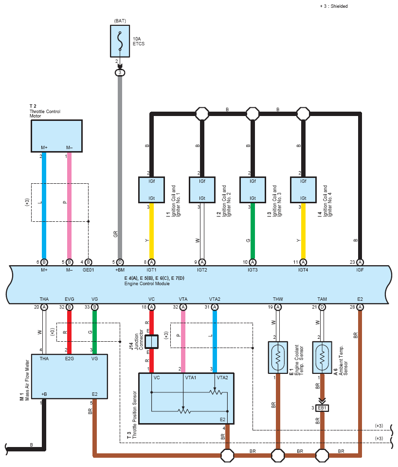
Fig 1: Toyota hybrid system wiring diagram (1 of 27)
G08866007Courtesy of © TOYOTA, LICENSE AGREEMENT TMS1002
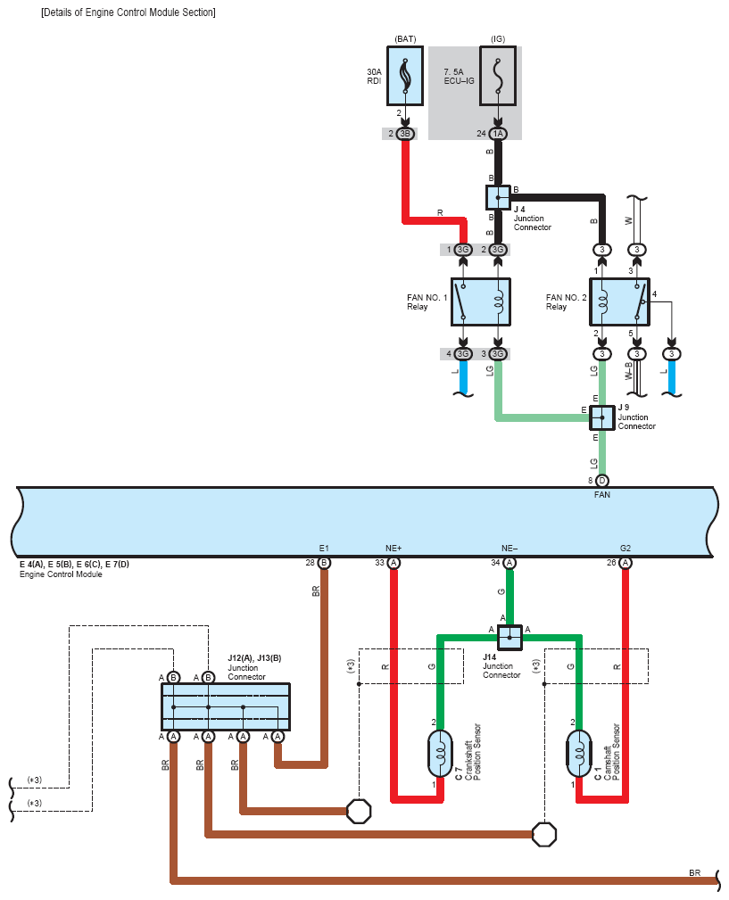
Fig 2: Toyota hybrid system wiring diagram (2 of 27)
G08866008Courtesy of © TOYOTA, LICENSE AGREEMENT TMS1002
Fig 3: Toyota hybrid system wiring diagram (3 of 27)
G08866009Courtesy of © TOYOTA, LICENSE AGREEMENT TMS1002
Fig 4: Toyota hybrid system wiring diagram (4 of 27)
G08866010Courtesy of © TOYOTA, LICENSE AGREEMENT TMS1002
Fig 5: Toyota hybrid system wiring diagram (5 of 27)
G08866011Courtesy of © TOYOTA, LICENSE AGREEMENT TMS1002
Fig 6: Toyota hybrid system wiring diagram (6 of 27)
G08866012Courtesy of © TOYOTA, LICENSE AGREEMENT TMS1002
Fig 7: Toyota hybrid system wiring diagram (7 of 27)
G08866013Courtesy of © TOYOTA, LICENSE AGREEMENT TMS1002
Fig 8: Toyota hybrid system wiring diagram (8 of 27)
G08866014Courtesy of © TOYOTA, LICENSE AGREEMENT TMS1002
Fig 9: Toyota hybrid system wiring diagram (9 of 27)
G08866015Courtesy of © TOYOTA, LICENSE AGREEMENT TMS1002
Fig 10: Toyota hybrid system wiring diagram (10 of 27)
G08866016Courtesy of © TOYOTA, LICENSE AGREEMENT TMS1002
Fig 11: Toyota hybrid system wiring diagram (11 of 27)
G08866017Courtesy of © TOYOTA, LICENSE AGREEMENT TMS1002
Fig 12: Toyota hybrid system wiring diagram (12 of 27)
G08866018Courtesy of © TOYOTA, LICENSE AGREEMENT TMS1002
Fig 13: Toyota hybrid system wiring diagram (13 of 27)
G08866019Courtesy of © TOYOTA, LICENSE AGREEMENT TMS1002
Fig 14: Toyota hybrid system wiring diagram (14 of 27)
G08866020Courtesy of © TOYOTA, LICENSE AGREEMENT TMS1002
Fig 15: Toyota hybrid system wiring diagram (15 of 27)
G08866021Courtesy of © TOYOTA, LICENSE AGREEMENT TMS1002
Fig 16: Toyota hybrid system wiring diagram (16 of 27)
G08866022Courtesy of © TOYOTA, LICENSE AGREEMENT TMS1002
Fig 17: Toyota hybrid system wiring diagram (17 of 27)
G08866023Courtesy of © TOYOTA, LICENSE AGREEMENT TMS1002
Fig 18: Toyota hybrid system wiring diagram (18 of 27)
G08866024Courtesy of © TOYOTA, LICENSE AGREEMENT TMS1002
Fig 19: Toyota hybrid system wiring diagram (19 of 27)
G08866025Courtesy of © TOYOTA, LICENSE AGREEMENT TMS1002
Fig 20: Toyota hybrid system wiring diagram (20 of 27)
G08866026Courtesy of © TOYOTA, LICENSE AGREEMENT TMS1002
Fig 21: Toyota hybrid system wiring diagram (21 of 27)
G08866027Courtesy of © TOYOTA, LICENSE AGREEMENT TMS1002
Fig 22: Toyota hybrid system wiring diagram (22 of 27)
G08866028Courtesy of © TOYOTA, LICENSE AGREEMENT TMS1002
Fig 23: Toyota hybrid system wiring diagram (23 of 27)
G08866029Courtesy of © TOYOTA, LICENSE AGREEMENT TMS1002
Fig 24: Toyota hybrid system wiring diagram (24 of 27)
G08866030Courtesy of © TOYOTA, LICENSE AGREEMENT TMS1002
Fig 25: Toyota hybrid system wiring diagram (25 of 27)
G08866031Courtesy of © TOYOTA, LICENSE AGREEMENT TMS1002
Fig 26: Toyota hybrid system wiring diagram (26 of 27)
G08866032Courtesy of © TOYOTA, LICENSE AGREEMENT TMS1002
Fig 27: Toyota hybrid system wiring diagram (27 of 27)
G08866033Courtesy of © TOYOTA, LICENSE AGREEMENT TMS1002