LEMON Manuals: Even more car manuals for everyone: 1960-2025
Home >> Toyota >> 2007 >> Prius Base >> Repair and Diagnosis >> Engine Performance >> Engine Control System >> SFI System >> DTC P0446 Evaporative Emission Control System Vent Control Circuit >> Wiring Diagram
April 5, 2026: LEMON Manuals is launched! Read the announcement.

DTC P0446 Evaporative Emission Control System Vent Control Circuit: Wiring Diagram

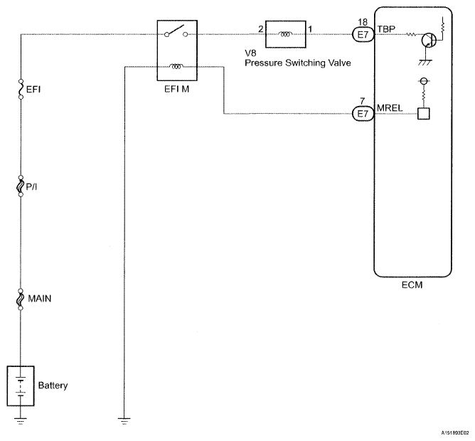
Fig 1: Leak Detection Pump - Wiring Diagram (1 Of 2)
G05188747Courtesy of © TOYOTA, LICENSE AGREEMENT TMS1002
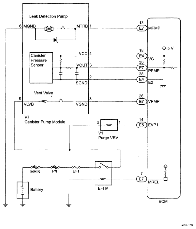
Fig 2: Leak Detection Pump - Wiring Diagram (2 Of 2)
G05188748Courtesy of © TOYOTA, LICENSE AGREEMENT TMS1002