LEMON Manuals: Even more car manuals for everyone: 1960-2025
Home >> Toyota >> 2007 >> RAV4 Base, 2.4 D, AWD >> Repair and Diagnosis >> External Pages >> Different car >> Section 601 (Smart Key System (Keyless Entry) (Diagnostics)) >> Smart Key System >> System Diagram >> System Diagram
April 5, 2026: LEMON Manuals is launched! Read the announcement.

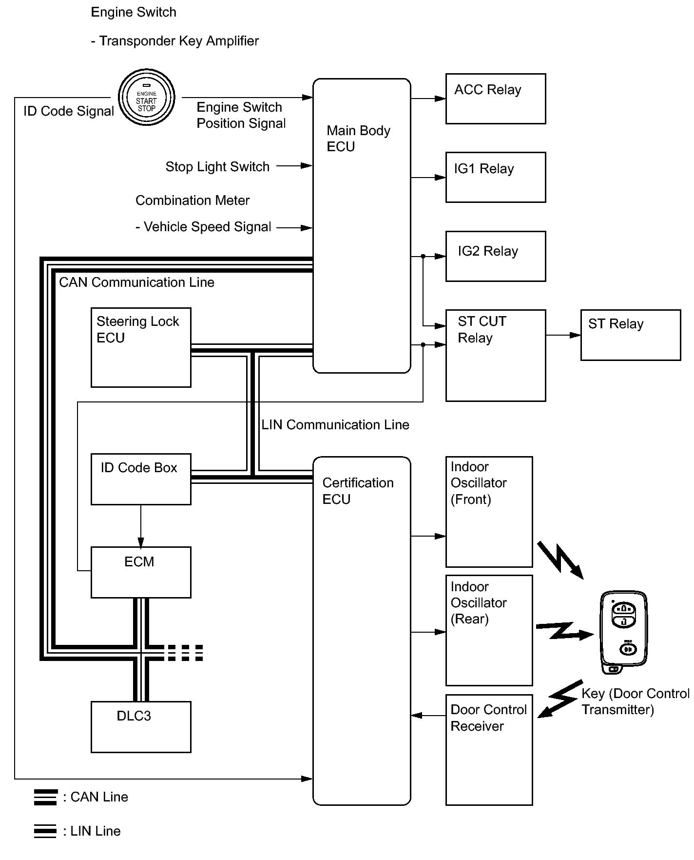
System Diagram

WARNING: This page is about a different car, the 2010 Toyota RAV4. However, it is still accessible from the selected car via links, so may be relevant.
Fig 1: Smart Key System Diagram (1 Of 2)
GTY233030Courtesy of © TOYOTA, LICENSE AGREEMENT TMS1002
Fig 2: Smart Key System Diagram (2 Of 2)
GTY242533Courtesy of © TOYOTA, LICENSE AGREEMENT TMS1002
Sender Receiver Signal Line
Main body ECU Certification ECU
  • Back door courtesy light switch signal
CAN
ECM
  • IG signal
  • ACC signal
  • Inside illumination control signal for entry
  • Door courtesy light switch signal (driver and passenger doors)
  • Vehicle type handle signal
CAN
Certification ECU Main body ECU
  • Back door lock signal
  • Entry lock switch signal
CAN
  • Immobilizer ID entry required signal
  • Key code check signal
CAN / LIN
Steering lock ECU Certification ECU
  • Encryption code signal
  • Encryption code finish signal
  • Encryption calculate fixed number memory requirement signal
  • During entry control signal
LIN
ID code box Certification ECU
  • DTC (B2791) signal
  • Matching request random number signal
LIN