LEMON Manuals: Even more car manuals for everyone: 1960-2025
Home >> Toyota >> 2007 >> RAV4 Limited, 2.4 D, AWD >> Repair and Diagnosis >> External Pages >> Different car >> Section 446 (4WD Control System / Transfer Case Control System -VF4BM- (Inspection)) >> 4WD Control System / Transfer Case Control System >> System Diagram >> System Diagram
April 5, 2026: LEMON Manuals is launched! Read the announcement.

System Diagram

WARNING: This page is about a different car, the 2010 Toyota 4Runner. However, it is still accessible from the selected car via links, so may be relevant.
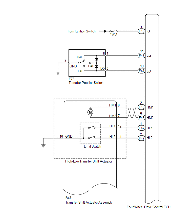
Fig 1: Identifying Transfer System Diagram (1 Of 3)
GTY210883Courtesy of © TOYOTA, LICENSE AGREEMENT TMS1002
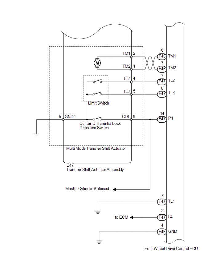
Fig 2: Identifying Transfer System Diagram (2 Of 3)
GTY214222Courtesy of © TOYOTA, LICENSE AGREEMENT TMS1002
Fig 3: Identifying Transfer System Diagram (3 Of 3)
GTY216090Courtesy of © TOYOTA, LICENSE AGREEMENT TMS1002