LEMON Manuals: Even more car manuals for everyone: 1960-2025
Home >> Toyota >> 2007 >> Sequoia SR5, 4WD >> Repair and Diagnosis >> Engine Performance >> Engine Control System (2UZ-FE) >> SFI System >> System Diagram
April 5, 2026: LEMON Manuals is launched! Read the announcement.

System Diagram

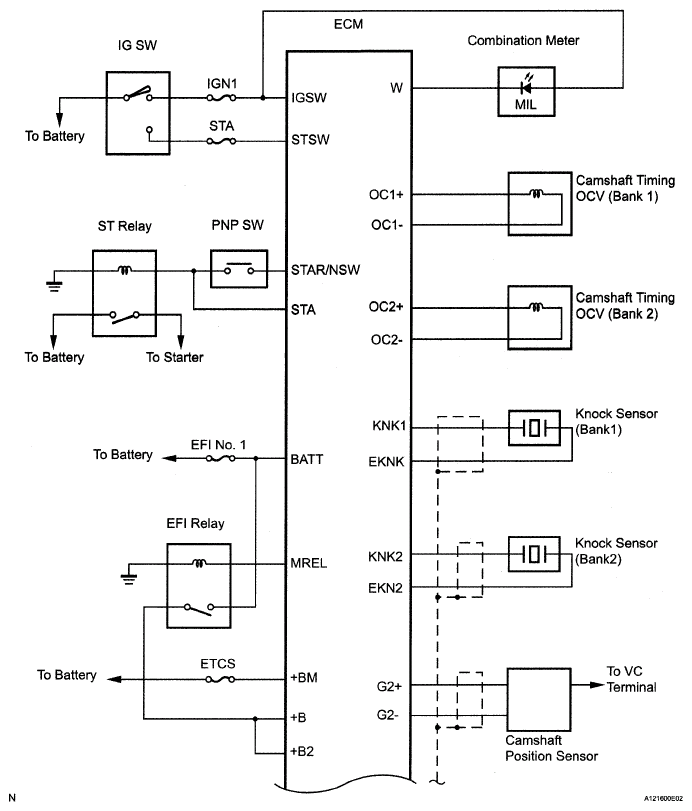
Fig 1: SFI System Diagram (1 Of 4)
G05190274Courtesy of © TOYOTA, LICENSE AGREEMENT TMS1002
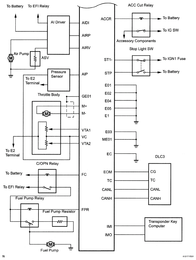
Fig 2: SFI System Diagram (2 Of 4)
G05190275Courtesy of © TOYOTA, LICENSE AGREEMENT TMS1002
Fig 3: SFI System Diagram (3 Of 4)
G05190276Courtesy of © TOYOTA, LICENSE AGREEMENT TMS1002
Fig 4: SFI System Diagram (4 Of 4)
G05190277Courtesy of © TOYOTA, LICENSE AGREEMENT TMS1002