LEMON Manuals: Even more car manuals for everyone: 1960-2025
Home >> Toyota >> 2007 >> Sienna CE >> Repair and Diagnosis (Single Page) >> Electrical >> Body Electrical >> OEM System Circuits >> Navigation, Rear View Monitor and Audio System >> Notes
April 5, 2026: LEMON Manuals is launched! Read the announcement.

Navigation, Rear View Monitor and Audio System: Notes

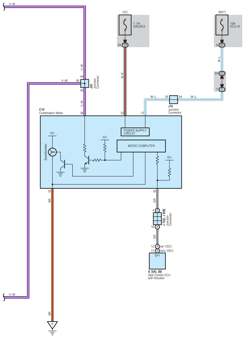
Fig 1: Navigation, Rear View Monitor And Audio System Wiring Diagram (1 Of 7)
G08842064Courtesy of © TOYOTA, LICENSE AGREEMENT TMS1002
Fig 2: Navigation, Rear View Monitor And Audio System Wiring Diagram (2 Of 7)
G08842065Courtesy of © TOYOTA, LICENSE AGREEMENT TMS1002
Fig 3: Navigation, Rear View Monitor And Audio System Wiring Diagram (3 Of 7)
G08842066Courtesy of © TOYOTA, LICENSE AGREEMENT TMS1002
Fig 4: Navigation, Rear View Monitor And Audio System Wiring Diagram (4 Of 7)
G08842067Courtesy of © TOYOTA, LICENSE AGREEMENT TMS1002
Fig 5: Navigation, Rear View Monitor And Audio System Wiring Diagram (5 Of 7)
G08842068Courtesy of © TOYOTA, LICENSE AGREEMENT TMS1002
Fig 6: Navigation, Rear View Monitor And Audio System Wiring Diagram (6 Of 7)
G08842069Courtesy of © TOYOTA, LICENSE AGREEMENT TMS1002
Fig 7: Navigation, Rear View Monitor And Audio System Wiring Diagram (7 Of 7)
G08842070Courtesy of © TOYOTA, LICENSE AGREEMENT TMS1002