LEMON Manuals: Even more car manuals for everyone: 1960-2025
Home >> Toyota >> 2007 >> Sienna CE >> Repair and Diagnosis (Single Page) >> Electrical >> Body Electrical >> OEM System Circuits >> Remote Control Mirror with Memory >> Notes
April 5, 2026: LEMON Manuals is launched! Read the announcement.

Remote Control Mirror with Memory: Notes

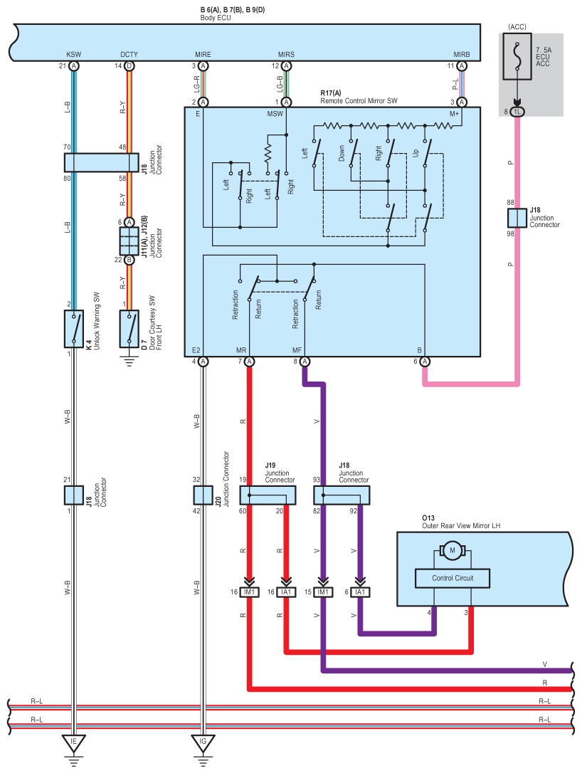
Fig 1: Remote Control Mirror System (With Memory) Wiring Diagram (1 Of 4)
G08842037Courtesy of © TOYOTA, LICENSE AGREEMENT TMS1002
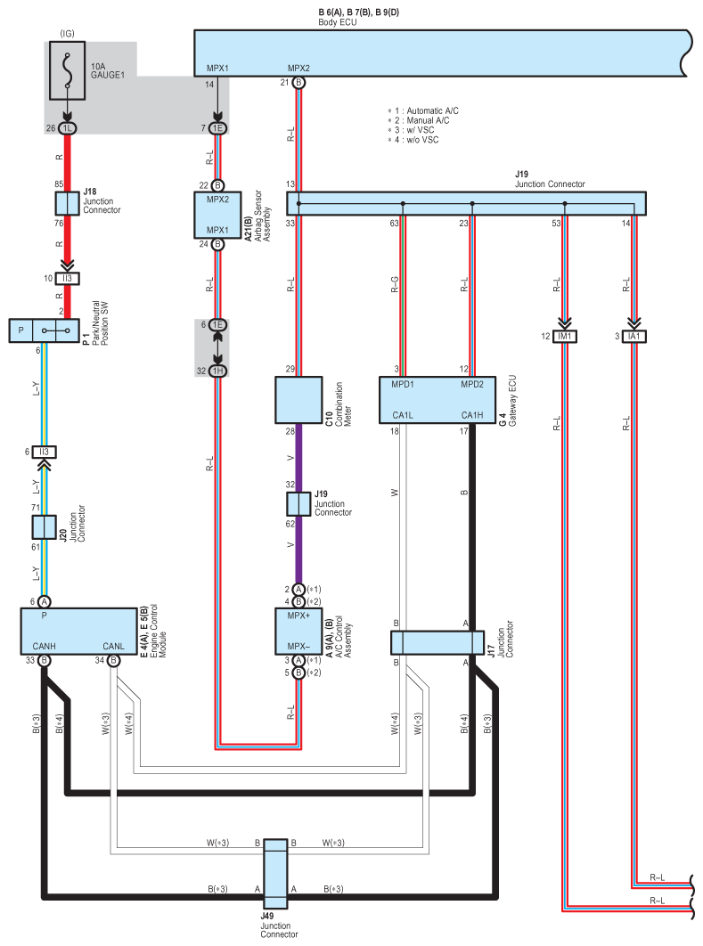
Fig 2: Remote Control Mirror System (With Memory) Wiring Diagram (2 Of 4)
G08842038Courtesy of © TOYOTA, LICENSE AGREEMENT TMS1002
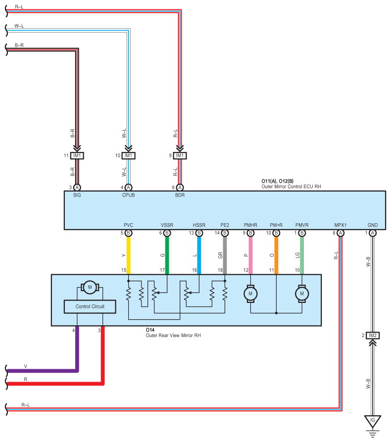
Fig 3: Remote Control Mirror System (With Memory) Wiring Diagram (3 Of 4)
G08842039Courtesy of © TOYOTA, LICENSE AGREEMENT TMS1002
Fig 4: Remote Control Mirror System (With Memory) Wiring Diagram (4 Of 4)
G08842040Courtesy of © TOYOTA, LICENSE AGREEMENT TMS1002