LEMON Manuals: Even more car manuals for everyone: 1960-2025
Home >> Toyota >> 2007 >> Sienna CE >> Repair and Diagnosis >> Electrical >> Body Electrical >> OEM System Circuits >> ABS without VSC >> Notes
April 5, 2026: LEMON Manuals is launched! Read the announcement.

ABS without VSC: Notes

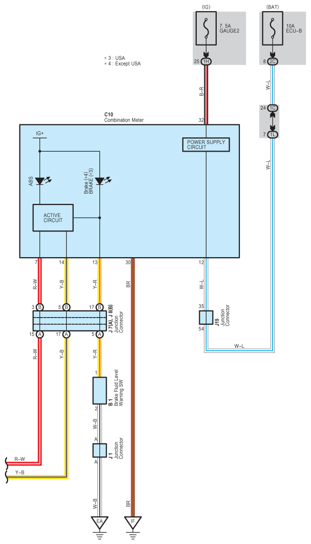
Fig 1: ABS System (Without VSC) Wiring Diagram (1 Of 3)
G08842023Courtesy of © TOYOTA, LICENSE AGREEMENT TMS1002
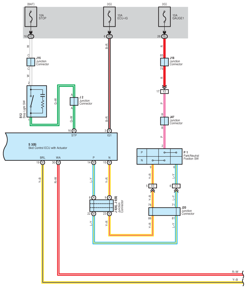
Fig 2: ABS System (Without VSC) Wiring Diagram (2 Of 3)
G08842024Courtesy of © TOYOTA, LICENSE AGREEMENT TMS1002
Fig 3: ABS System (Without VSC) Wiring Diagram (3 Of 3)
G08842025Courtesy of © TOYOTA, LICENSE AGREEMENT TMS1002